EasyManua.ls Logo

Jack JK-797 - Schematic Diagram of the Machine Table

Jack JK-797
74 pages
Print Icon
To Next Page IconTo Next Page
To Next Page IconTo Next Page
To Previous Page IconTo Previous Page
To Previous Page IconTo Previous Page
Loading...
if
fl.If.I
z
iru
BEFORE
OPERA
TING
ffl ~
lffl
T-00
:itt
fi
~
tJi;/Jll
I
0
0,.
(.h
t
~
~
CD
r
~
~
en
~
ffi.1.m
I
IE
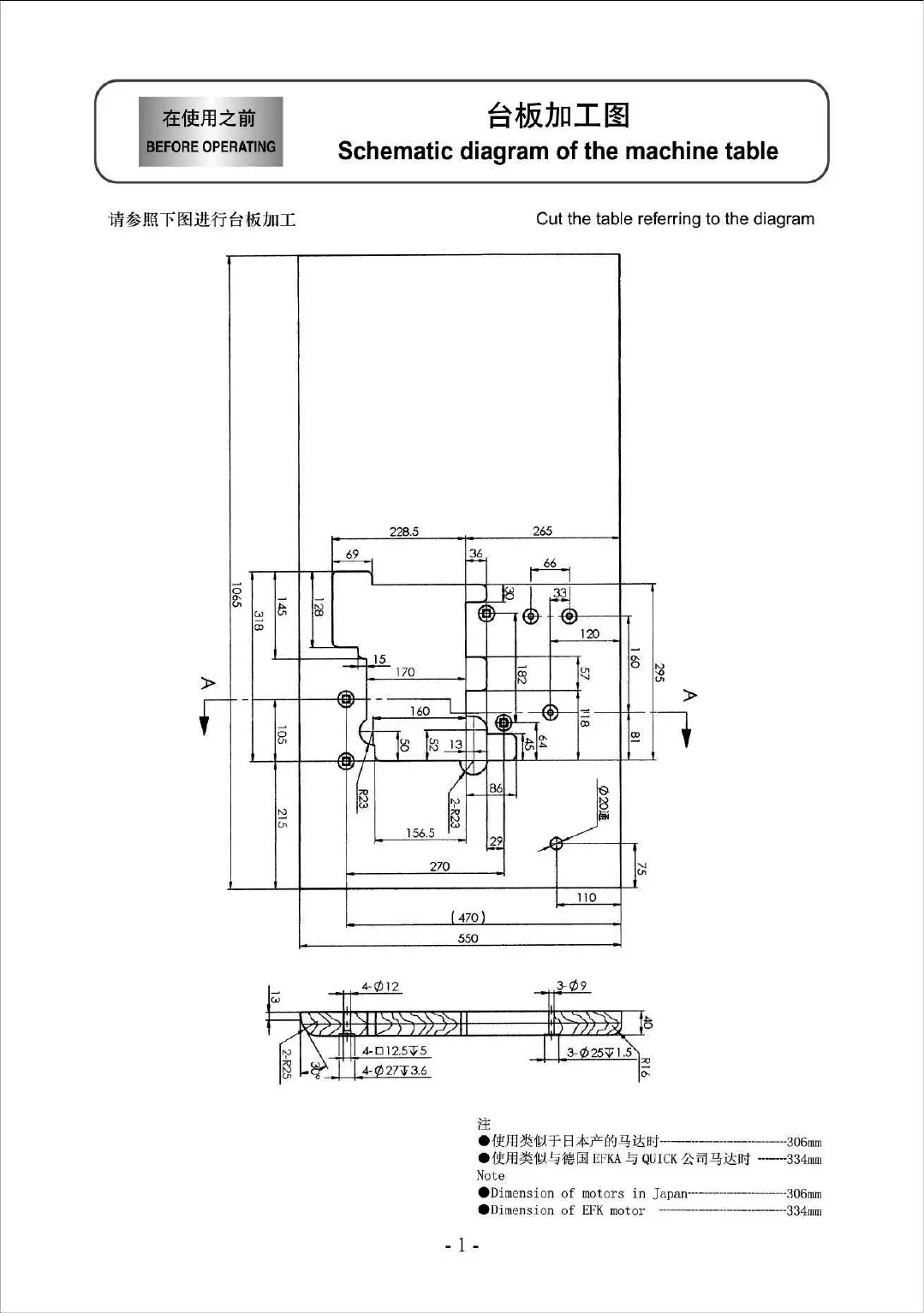
Schematic
diagram
of
the
machine
table
Cut the table referring to the diagram
228.5
265
~
~
~
I
7
~~~
~
'-V
120
-
I
15
--+-i--1
70
0)
en
g,
N
'-J
~
-
'
.,
160
I
-
,-
CD
,)
g
1
~.n
E
~fW
..
~
-~ti
~
7
.,
'
iii..,
~
86
J
"'
156
.5
J2
---
270
1~
110
/
470)
550
3-</)9
it
e
ftJH~M-=f
B
;;t;:.1"(J(1~zat·-
-
----306nun
e
{ii'.}fl~1!;1.
~~IE
EFKA
~ Q
UIC
K
~ii']
fs:it:
at
----334mm
Note
- I -
e
Dim
ension
of
m
otors
in
Ja
pa,n---
--
306mm
e
oim
e
ns
io
n
of
EFK
motor
334mm
From the library of Superior Sewing Machine & Supply LLC - www.supsew.com

Related product manuals