EasyManua.ls Logo

Jackson Racing 999-200 - 1.0 Disassembly; 1.1 Disconnect your Miatas battery.; 1.2 Release the air flow meter harness...; 1.3 Remove the molded rubber elbow...

Default Icon
14 pages
Print Icon
To Next Page IconTo Next Page
To Next Page IconTo Next Page
To Previous Page IconTo Previous Page
To Previous Page IconTo Previous Page
Loading...
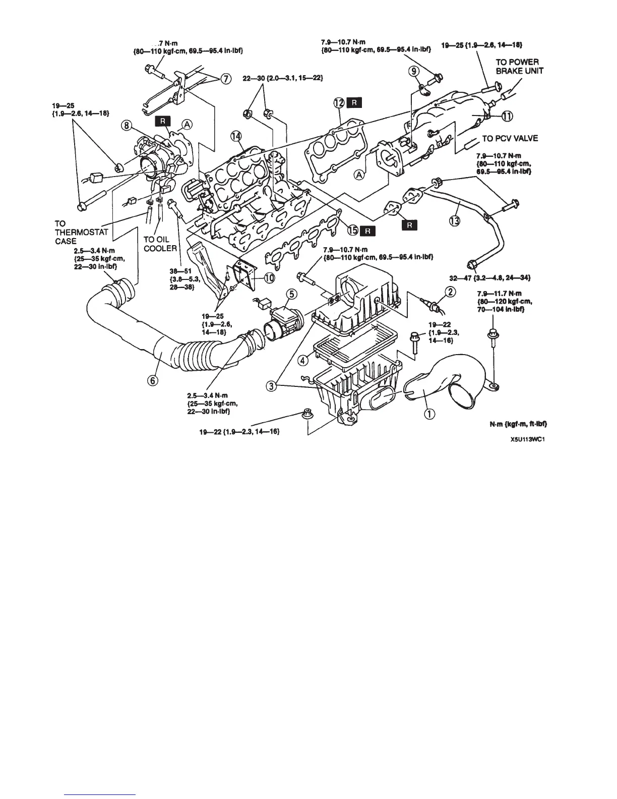
1.0 DISASSEMEMBLY
1.1 Disconnect your Miata’s battery.
1.2 Release the air flow meter harness 5-pin con-
nector by pressing the locking tab on its clip.
Remove the stock air flow meter from the air box by
removing the two 10mm headed retaining bolts and
then remove the Air Temperature sensor with its rub-
ber mounting grommet from the Air filter box. And
finally remove the air filter assembly complete with
intake snorkel, these parts will not be reused. Move
the air flow meter to a safe place on a worktable.
1.3 Remove the molded rubber elbow and hard
plastic tube that lead from the throttle body to the
airflow meter.
1.4 Remove the crankcase vent hose that is
attached to the front of the cam cover. (Figure
1.4). This will not be reused. Also, find the small
restrictor inside the rubber hose that ran from the
cam cover to the Mazda plastic crossover/intake
tube. It can be felt as a lump in the straight sec-
tion of the hose near the end. Persuade it out by
gently clamping the hose with a pair of pliers just
behind the lump. If your hose does not have this
restrictor there is one provided in the hose bag of
the supercharger kit. Save this restrictor for step
#7.8.
1.5 You can do this entire procedure without los-
ing too much coolant, there is no need to drain
your cooling system. In the upcoming step you
will be removing the throttle body and Idle
Control Solenoid (ICS) valve. If you remove the
small coolant hoses that run to the ICS valve
(which is mounted under your throttle), you can
drain the excess coolant into a coffee can or
such. Rest the can on the steering rack down in
front of the engine and aim the hoses into the
can as they drain. Once the flow stops, you can
remove the throttle body without making a mess.
2.0 THROTTLE BODY
2.1 Remove the throttle body (FIGURE 1.4) by
releasing the two electrical connectors (one has
a spring wire, one has a plastic lever clip), the
two small coolant hoses on either side of the
lower Idle Control System (ICS) valve, and the
three nuts and one bolt. TIP: THE SPRING
2
1/07999-200
Figure 1.4