EasyManua.ls Logo

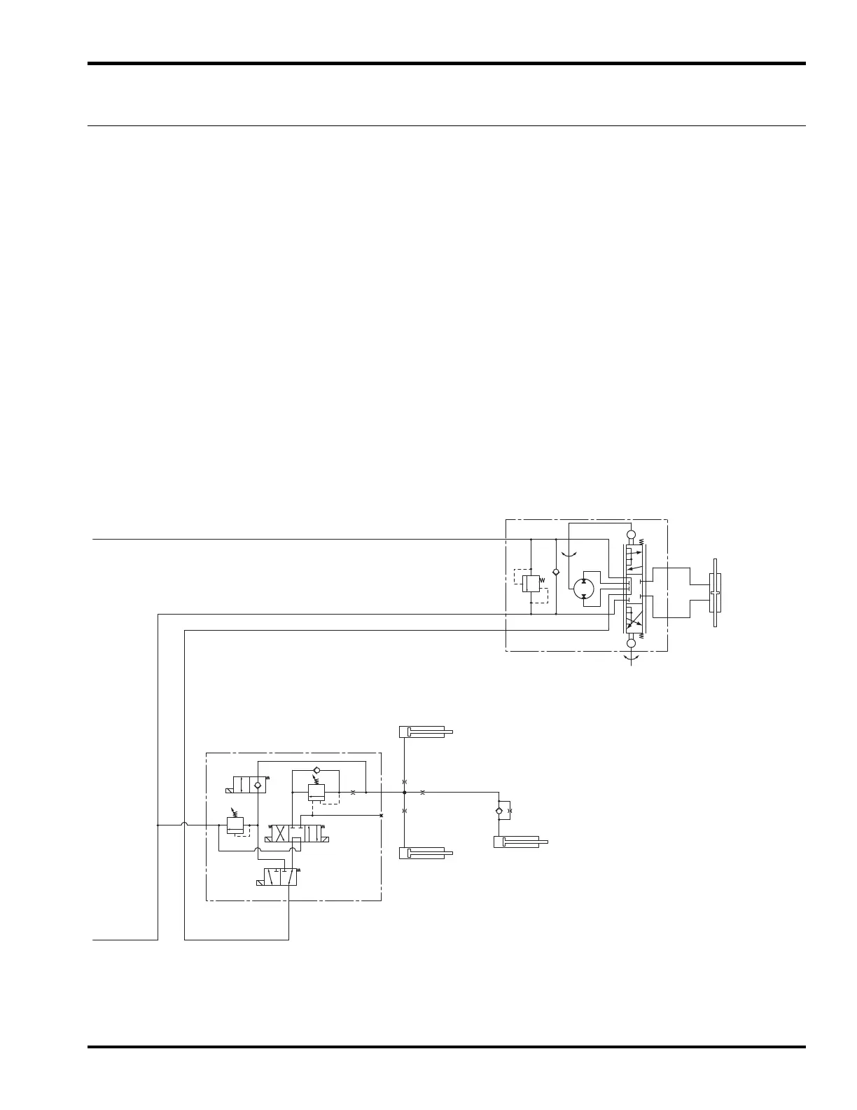
Jacobsen AR331 - 42.1 Hydraulic Schematic (Continued)

Jacobsen AR331
230 pages
Print Icon
To Next Page IconTo Next Page
To Next Page IconTo Next Page
To Previous Page IconTo Previous Page
To Previous Page IconTo Previous Page
Loading...
93
> Change from previous revision
AR331
42.1 Hydraulic Schematic
3WD Option Schematic (Continued)
Serial No. All
Steering Valve
LT
L
R
P
T
E
RT
2030 psi
Left Front
Cylinder
Center
Cylinder
Right Front
Cylinder
363 psi
3045 psi
.051
SP
T
L
CR
.070
.029
.029
.029
One Way
Orifice

Related product manuals