EasyManua.ls Logo

JBL AC195 - Page 3

JBL AC195
3 pages
Print Icon
To Previous Page IconTo Previous Page
To Previous Page IconTo Previous Page
Loading...
JBL AC195/-WH
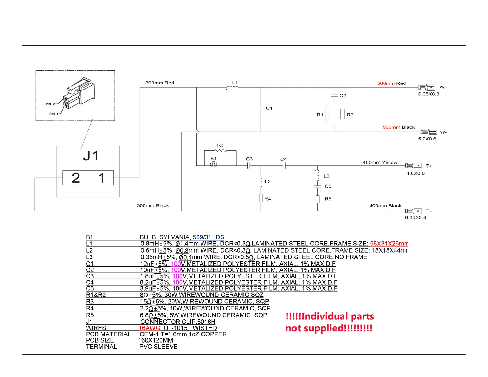
NETWORK SCHEMATIC 5055230
JBL AC195/-WH
SK3

Related product manuals