EasyManua.ls Logo

JBL DD67000 - Wiring Diagram

JBL DD67000
4 pages
Print Icon
To Previous Page IconTo Previous Page
To Previous Page IconTo Previous Page
Loading...
Technical Manual
DD67000
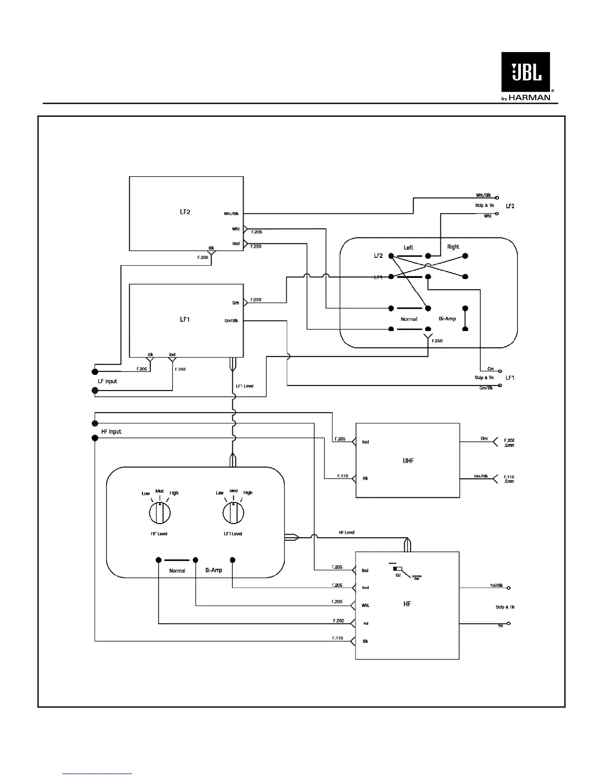
WIRING DIAGRAM
_
+
+
_
8500 Balboa Blvd. Northridge, CA 91329 USA
Features, specifications and appearance are subject to change without notice. 12/2012

Related product manuals