EasyManua.ls Logo

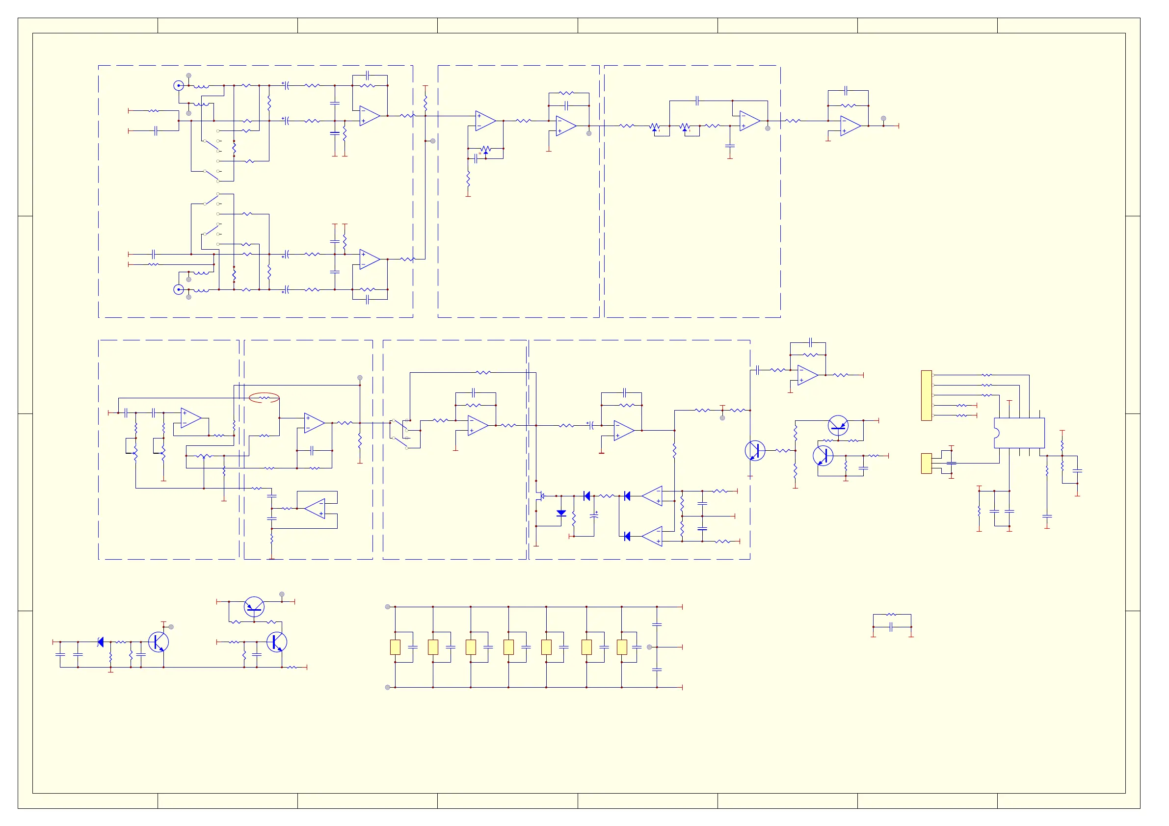
JBL GTR-601 - GTR-601 Pre-Amplifier Schematic; Pre-Amplifier Circuitry

JBL GTR-601
14 pages
Print Icon
To Next Page IconTo Next Page
To Next Page IconTo Next Page
To Previous Page IconTo Previous Page
To Previous Page IconTo Previous Page
Loading...
1 2 3 4 5 6 78
A
B
C
D
8
7654321
D
C
B
A
R14
47.5K
C13
100pF
R15
22K
R17
22K
R16
22K
R18
22K
AGND
R8
270R/1W
R10
100K
R11
100K
R5
0R
R6
0R
C3
10uF/25V
C4
10uF/25V
C1
100uF/25V NP
AGND
C11
101
2
1
RCA1A
R1
0R
FL
AGND
C17
101
HI 1
HI 2
Line
HI 1
HI 2
Line
R19
47.5K
C16
101
R21
22K
R22
22K
R20
22K
R23
22K
AGND
R9
270R/1W
R13
100K
R12
100K
R7
0R
R4
0R
C9
10uF/25V
C8
10uF/25V
C2
100uF/25V NP
C12
101
4
3
RCA1B
AGND
C18
101
HI 1
HI 2
Line
HI 1
HI 2
Line
R27
4.7K
R24
4.7K
1
L1A
L-4
3
L1B
L-4
5
L1C
L-4
7
L1D
L-4
67
5
8
SW1B
SW2P3T-1333
1011
9
12
SW1C
SW2P3T-1333
23
1
4
SW1A
SW2P3T-1333
1415
13
16
SW1D
SW2P3T-1333
TP5
TP6
TP2
TP1
2
3
1
U1A
4580
6
5
7
U1B
4580
84
U4C
4580
AGND
C23
104
C47
224
+12V
AGND
R100
47K
Q6
2SC1815
R99
10K
RCA-PRO
RCA-PRO
RCA-PRO
TP3
PROT
6
5
7
U2B
4580
R29
4.7K
AGND
R30
2.2K
C14
101
AGND
R34
1K
2
3
1
U2A
4580
R39
3K
C15
101
AGND
INPUT
R49
2.4K
R50
2.4K
6
5
7
U3B
4580
C25
330nF
C26
150nF
AGND
R44
3.3K
R40
3.3K
R45
22K
AGND
C32
101
LPF 32-320Hz
2
3
1
U3A
4580
R56
4.7K
C31
101
AGND
2
3
1
U7A
4580
6
5
7
U7B
4580
D3
BAS316
D4
BAS316
R69
1K
R28
10K
R71
4.02K
R72
4.02K
AGND
+B
R57
4.7K
84
U5C
4580
C48
224
84
U6C
4580
C49
224
C24
104
-12V
R52
22K
6
5
7
U6B
4580
84
U3C
4580
C46
224
C28
101
R54
22K
AGND
R25
5.9K
R26
44.2K
C30
101
AGND
84
U2C
4580
C45
224
84
U1C
4580
C44
224
LIMIT
PHASE0-180
R70
82K
R73
82K
-B
AGND
Q5
2SA1015
R47
10K
R94
220K
-12V
R48
10K
R97
47K
R95
2.2K
Q4
2SC1815
AGND
R98
10K
R96
47K
+12V
MUTE
12
3
SW2A
2P2T
45
6
SW2B
2P2T
4
5
6
VR1B
B20K
1
2
3
VR2A
B20K
4
5
6
VR2B
B20K
R87
340
C39
274
13
2
VR3A
B2K/NC
R3
39K
46
5
VR3B
B200K/NC
AGND
R88
1.8K/NC
R89
0R/NG
C36
824/NC
DBO
BOOSTER
BASS
SUB SONIC
R53
0R
2
3
1
U4A
4580
46
5
VR4B
500R
R105
270R/1W
R104
270R/1W
TP9
TP10
SIG
TP11
1.01V
R63
820R/NC
R64
1.3K/NC
TP13
R60
4.12K
输入0.2时输出约2.3V
6
5
7
U5B
4580
2
3
1
U5A
4580
R65
12K
C40
101
R91
5.1K
C38
223
C41
104
R61
0R
R62
0R
AGND
R90
470K
R110
47K
AGND
TP12
84
U7C
4580
RCA-PRO
R108
30.9K
R106
47K
Q9
2SC1815
Q8
2SA1015
R107
10K
RCA-ON
PGND
C42
106
R109
4.7K
TP16
C65
106
TP17
C50
224
TP20
TP14
TP15
U5B同相输入时输出为反相
NRST
1
VDD
2
OSCI
3
OSCO
4
ADC
5
ADC
6
ADC
7
SCL
8
VSS
9
SDA
10
U13
MT51F116-MG10BWT
R119
47K
R122
4.7K
L6
100M/1K
C61
106
1
2
3
CN1B
CON3
DGND
MCU5V
C54
104
R120
4.7K
C58
NC
1
2
3
4
5
CN2B
CN5P
R115
22R
R114
22R
R113
22R
DGND
L5
100M/1K
LD_STB
LED_CLK
LED_DI/O
LED_5V
GND
R116
0R
TO:LED
TO:
升级口
DGND
LED_DI/ O
LED_CLK
LD_STB
LED_5V
K601R63R64R61R53 NC
K601
VR4B500R
Sampling
C62
106
R123
0R
SIG
2
3
1
U6A
4580
6
5
7
U4B
4580
R126
0R
C55
104
GND DGND
P+12V
AGND
R55
220R
C34
10uF/25V
D11
BAS316
C10
100uF/25V
R74
1M
AGND
G
G
D
D
S
S
Q1
J112
D12
BAS316
-12V
DGND
MCU5V
Sampling
DGND
MCU5V
C60
106
C59
104
R86
0R/NC
VR3脚位反
C74
104
C75
104
C63
106
SIGN
5V_LED
5V_LED
PGND1
Q3
2SC1815
RE
V:T1-1
GTR-601/K600
K
2
A
1
DZ1B
9.1V
R130
8.25K
R131
4.7K
R132
4.7K
C43
220uF/25V NP
C70
225
R31
0
GTR-601 PRE-AMP

Related product manuals