EasyManua.ls Logo

JBL Media 2 - Page 16

JBL Media 2
16 pages
Print Icon
To Previous Page IconTo Previous Page
To Previous Page IconTo Previous Page
Loading...
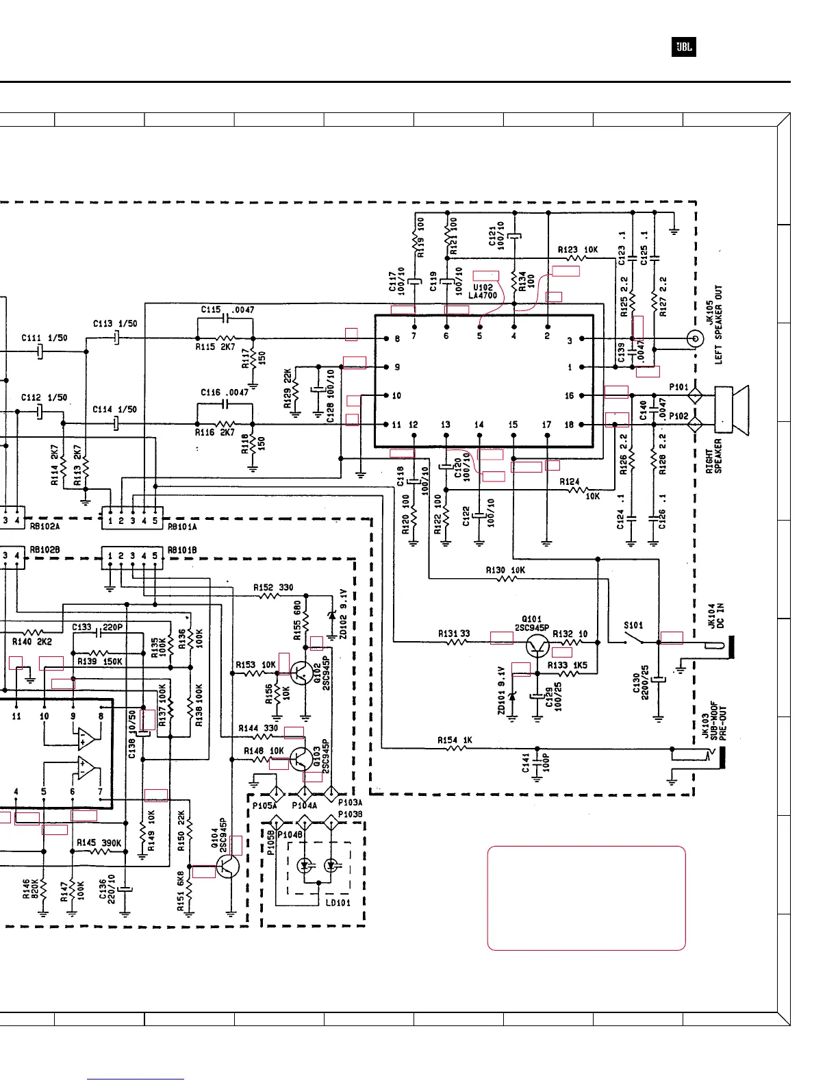
Media 2 Schematic Diagram
Media 2 Speakers
10
1
2
3
4
5
6
7
8
9
LMN
K
J
IHGF
LMNFGH I
J
K
7.95V
0V
0V
7.98V
16.40V
15.7V
16.19V
0.60V 0V 0.60V 0V
0V0V
0V 5.60V
0V
0V
0V0V
0.60V 0V
0.60V
7.80V
0V
16.40V
0V
0V
0V
0V
0V
0V
7.93V
7.91V
2
V
3.82V
3.82V
3.82V
7.69V
1.54V
1.59V
3.81V
6.7V
1.37V
0V
0V
0V
0.7V
7.5V
2.1V
2.8V
0.34V
5.1V 0V
8.76V
16.0V
9.4V
16.3V
Test voltages are printed in orange.
voltages are
displayed in boxes. Other voltages
shown are for due
to the Auto On/Off function.
Operational Mode
Stand-by Mode
0V
0V
2.7V
0.01V
1.85V
+16.0
8.1V
8.7V
16.0V
0.65V
0.93V
7.6V
V
3.8V
3.8V
3.8V
0V
0V
0V

Related product manuals