EasyManua.ls Logo

jcb JCB305 - Page 41

jcb JCB305
51 pages
Print Icon
To Next Page IconTo Next Page
To Next Page IconTo Next Page
To Previous Page IconTo Previous Page
To Previous Page IconTo Previous Page
Loading...
03 - Attachments, Couplings and Load Handling
10 - Excavator Arm Quickhitch
06 - Hydraulic Quickhitch
03 - 9 9813/6700-1 03 - 9
Diagram
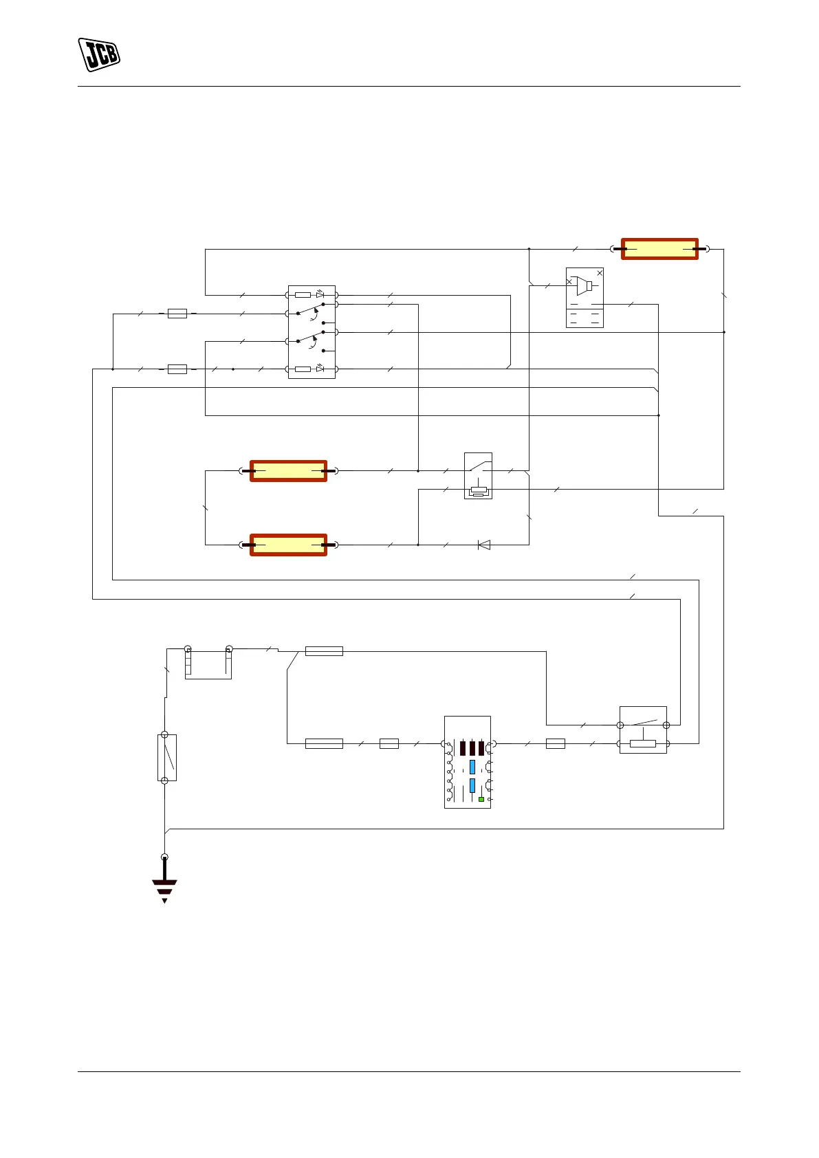
Figure 14. Quickhitch Schematic
IGN
GND
BUZZER
BUZ
LUG
LUG
0
I
II
III
PRE
HEAT
ON
OFF
START
SOLENOID: QUICK HITCH
SENSOR: PRESS QUICK HITCH
JOYSTICK: RH HANDLE
9/10
10/10
7/10
2/10
3/10
6/10
1/2
2/2
1/2
2/2
1/2
2/2
2/2
1/2
-C12
-C14
4
2
5
1
3
8
2
7
3
1
10
9
5
6
4
-SW1
SWITCH: QUICK HITCH
8/10
-S3
5
2
4
8
6
9
3
7
1
-R1
BUZZER
3/4
3/4
4/4
4/4
-R3
QUICK HITCH RELAY
-S4
1
2
-DH1
-D1
QUICK HITCH DIODE
-S5
-S7
-S6
BACKLIGHT SPLICE
9
10
FUSEBOX B
-B-F3
5A
3
1
2
5
-R2
-SW4
-SW5
-R4
IGNITION RELAY
-PF-D
50A
PRIMARY FUSEBOX
-BAT2
-VE
+VE
+VE
+VE
+VE
-VE
0.00
0.00
2/2
1/2
-C-F1
5A
1
2
3
4
5
6
7
8
9
-SW2
SWITCH: IGNITION/START
5/6
1/4
-D-F2
20A
-PF-B
60A
PRIMARY FUSEBOX
1
2
-SW3
ISOLATOR SWITCH
-GND1
-S2
IGN SPLICE
11
12
FUSEBOX D
13
14
FUSEBOX A
-A-F5
10A
5/10
-S1
GND SPLICE
15
16
M6
M6
2000
16.00 mm²
BLACK
70.00 mm²
3015
8.00 mm²
3000
4.00 mm²
3007A
4.00 mm²
1020
1.00 mm²
1001
1.00 mm²
1000
8.00 mm²
1000F
4.00 mm²
1000U
4.00 mm²
6023
0.75 mm²
1016
0.75 mm²
6181
0.75 mm²
1009G
0.75 mm²
1009
1.00 mm²
8036B
0.75 mm²
6081
0.75 mm²
8082
0.75 mm²
8085
0.75 mm²
6178
0.75 mm²
8082B
0.75 mm²
8082A
0.75 mm²
4066
0.75 mm²
8037B
0.75 mm²
8037A
1.50 mm²
8037
0.75 mm²
8036A
0.75 mm²
8085B
0.75 mm²
8036E
0.75 mm²
8036F
0.75 mm²
6180
0.75 mm²
8036
1.50 mm²
6000
2.00 mm²
8085A
0.75 mm²
SW1 Quickhitch switch SW2 Start/Ignition switch
SW3 Isolator switch SW4 Quickhitch press sensor
SW5 RH joystick handle A-F5 Fusebox A
B-F3 Fusebox B D-F2 Fusebox D
BAT2 Battery 2 D1 Quickhitch diode
PF-B Primary fusebox PF-D Primary fusebox
S1 Ground splice S2 Ignition splice
S6 Backlight splice R2 Ignition relay
R3 Quickhitch relay R4 Quickhitch solenoid

Related product manuals