EasyManua.ls Logo

jcb JZ140 ZT - Page 24

jcb JZ140 ZT
41 pages
Print Icon
To Next Page IconTo Next Page
To Next Page IconTo Next Page
To Previous Page IconTo Previous Page
To Previous Page IconTo Previous Page
Loading...
Section 1 - General Information
Service Tools
Tool Detail Reference Section E- Hydraulics
1 - 22
9803-6530
1 - 22
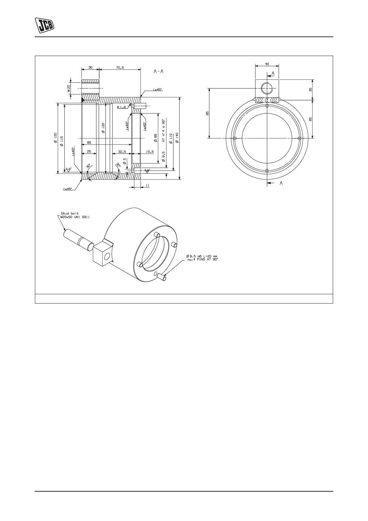
Fig 30. Nut Adapter
Note: For disassembly and assembly of slew motor gearbox.
A408860
Find manuals at http://best-manuals.com/search?&s=JCB-9803-6530-1

Related product manuals