EasyManua.ls Logo

JCM EBA-32 - External Connection Circuit

Default Icon
104 pages
Print Icon
To Next Page IconTo Next Page
To Next Page IconTo Next Page
To Previous Page IconTo Previous Page
To Previous Page IconTo Previous Page
Loading...
2 - 4
CHAPTER 2 Operations and Maintenance
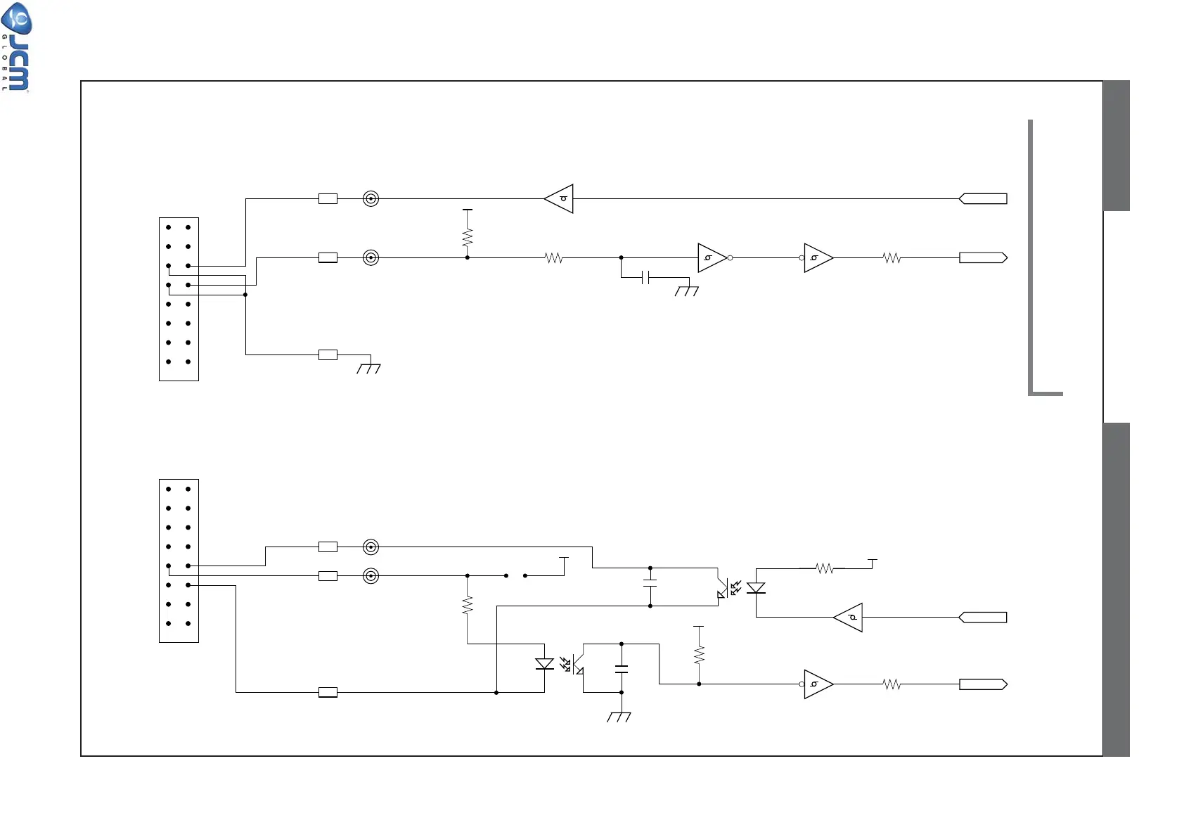
3-1. External Connection Circuit (EBA-30/31/34/35)
3-1-1 ID-003 Interface Circuit
3-1-2 ID-0D3 (MDB) Interface Circuit
5
6
7
8
TXD
CN2
SG
RXD
SG
XG4C-1634
BLM18AG471SN1D
BLM18AG471SN1D
74LS07DBR
74VHC14 74VHC14
BLM18AG471SN1D
F29
F31
Z50
D5V
IC35A
IC2D IC2E
R126
R125
R124
4.7K
C78
100pF
100
68
21
9 8 11 10
F30
Z1
TxD0
RxD0
F34
9
10
CN2
MTXD
MRXD/D5V
MCOM
XG4C-1634
BLM18AG471SN1D
BLM18AG471SN1D
BLM18AG471SN1D
Solder jumper
74VHC14
74LS07DBR
TLP281(BL)
11
F33
F32
IC2F
IC35B
R4
R122
R123
D5V
D5V
4.7K
C3
100pF
R5
PC2
TLP281(BL)
PC1
D5V
1/10W
C4
100pF
580
68
220
2
1
2
4
3
1
2
13 12
4
4
3
3
1
Z9
Z8
TxD4
RxD4
J1
3. External Connection Circuit

Related product manuals