EasyManua.ls Logo

John Bean EELR728A - 10 Parts List; Lift Assembly

John Bean EELR728A
45 pages
Print Icon
To Next Page IconTo Next Page
To Next Page IconTo Next Page
To Previous Page IconTo Previous Page
To Previous Page IconTo Previous Page
Loading...
- 26 -
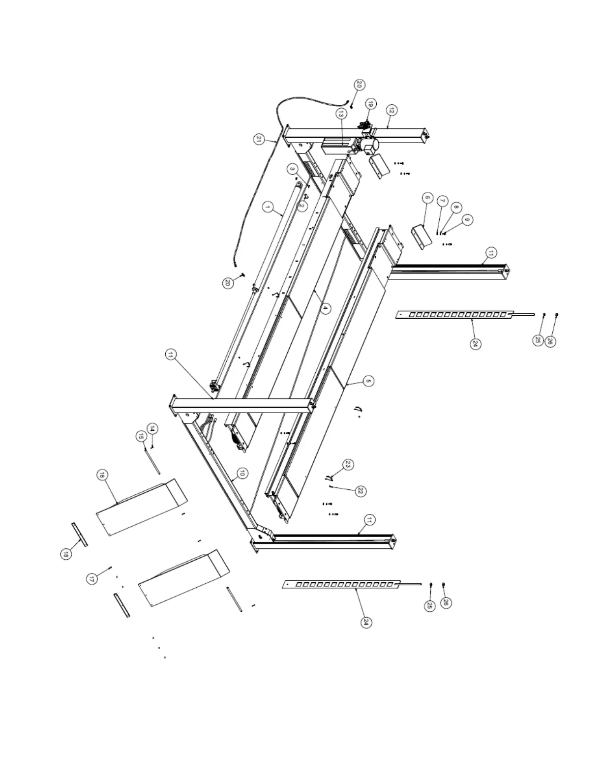
10. PARTS LIST
10.1 LIFT ASSEMBLY
Figure 24

Related product manuals