EasyManua.ls Logo

Johnson Pump WD 2.9 - Page 39

Johnson Pump WD 2.9
Print Icon
To Next Page IconTo Next Page
To Next Page IconTo Next Page
To Previous Page IconTo Previous Page
To Previous Page IconTo Previous Page
Loading...
39
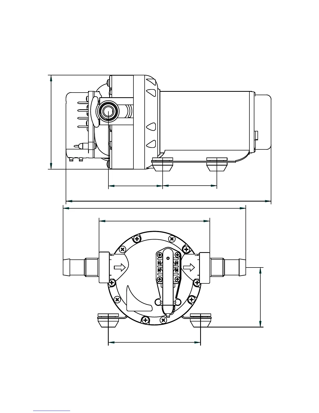
Dimensioner och vikter
Dimensions and weights
Abmessungen und Gewichte
Dimensions et poids
Dimensiones y pesos
Dimensioni e peso
63,5/2,5
63,5 /2,5
240,2
/9,457
108 /4,252
69,8 /2,748
129,6 /5,102
214 /8,425
110 /4,331
63,5/2,5
63,5 /2,5
240,2
/9,457
108 /4,252
69,8 /2,748
129,6 /5,102
214 /8,425
110 /4,331
Vikt 2,5 kg
Weight 2,5 kg / 5,5 lbs
Gewicht 2,5 kg
Poids 2,5 kg
Peso 2,5 kg
Dim. mm/inches
WD 5.2

Related product manuals