EasyManua.ls Logo

Judo QUICKSOFT-DUO - Page 26

Judo QUICKSOFT-DUO
32 pages
Print Icon
To Next Page IconTo Next Page
To Next Page IconTo Next Page
To Previous Page IconTo Previous Page
To Previous Page IconTo Previous Page
Loading...
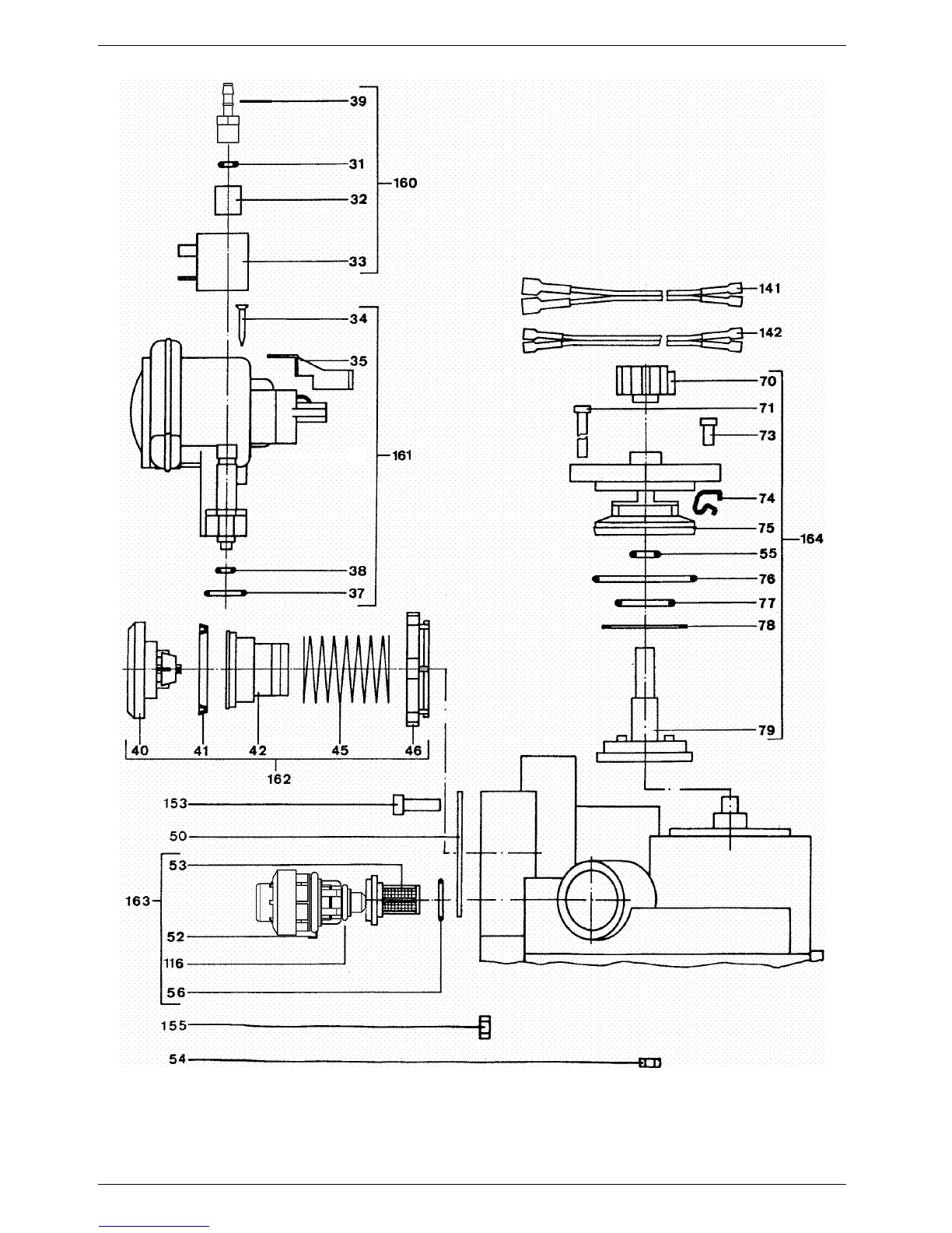
26 JUDO QUICKSOFT-DUO
JQS-D Spare Parts

Related product manuals