EasyManua.ls Logo

Jun-Air 3-4 - Page 34

Jun-Air 3-4
56 pages
Print Icon
To Next Page IconTo Next Page
To Next Page IconTo Next Page
To Previous Page IconTo Previous Page
To Previous Page IconTo Previous Page
Loading...
34
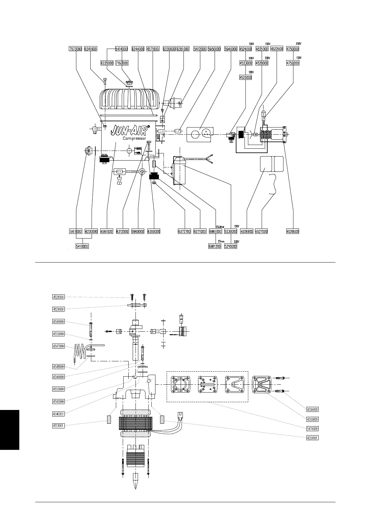
Motor spare parts model 6
Motor spare parts model 6
0015100
0015200
Drawings

Related product manuals