EasyManua.ls Logo

Jun-Air 3-4 - Page 35

Jun-Air 3-4
56 pages
Print Icon
To Next Page IconTo Next Page
To Next Page IconTo Next Page
To Previous Page IconTo Previous Page
To Previous Page IconTo Previous Page
Loading...
35
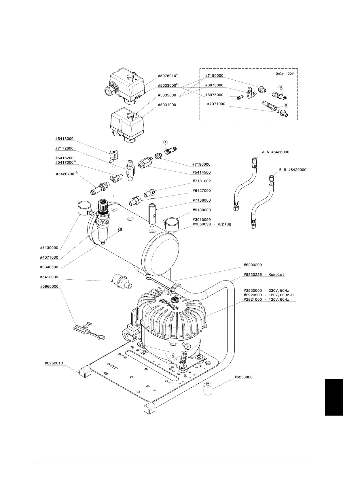
Spare parts model 3-4
0015301
Drawings

Related product manuals