EasyManua.ls Logo

Jun-Air 3-4 - Page 47

Jun-Air 3-4
56 pages
Print Icon
To Next Page IconTo Next Page
To Next Page IconTo Next Page
To Previous Page IconTo Previous Page
To Previous Page IconTo Previous Page
Loading...
47
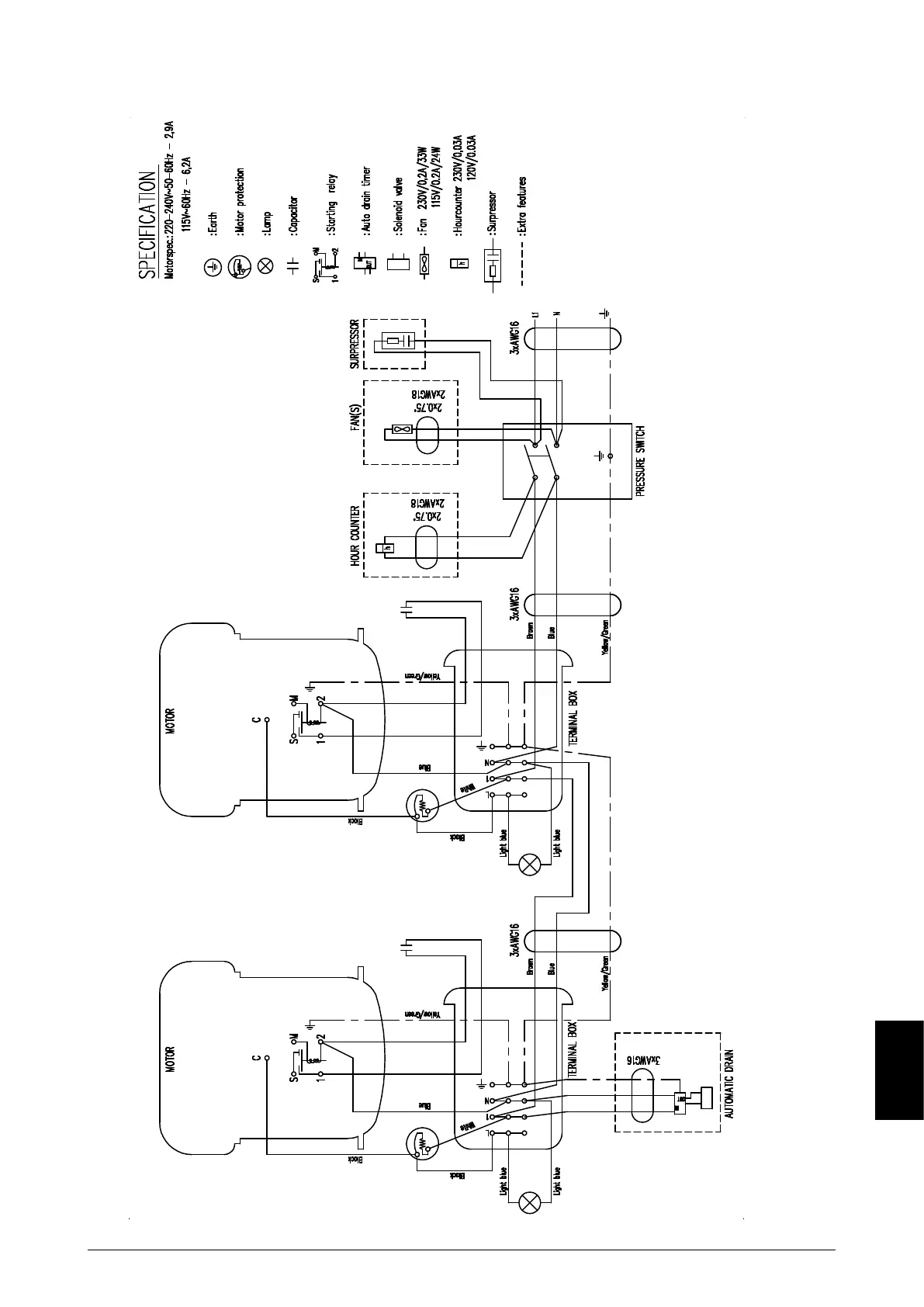
Electrical drawing model 12
6070210
Drawings

Related product manuals