EasyManua.ls Logo

Jun-Air 3-4 - Page 48

Jun-Air 3-4
56 pages
Print Icon
To Next Page IconTo Next Page
To Next Page IconTo Next Page
To Previous Page IconTo Previous Page
To Previous Page IconTo Previous Page
Loading...
48
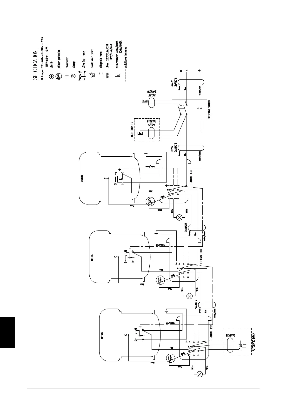
Electrical drawing model 18
6070260
Drawings

Related product manuals