EasyManua.ls Logo

Jun-Air 3-4 - Page 49

Jun-Air 3-4
56 pages
Print Icon
To Next Page IconTo Next Page
To Next Page IconTo Next Page
To Previous Page IconTo Previous Page
To Previous Page IconTo Previous Page
Loading...
49
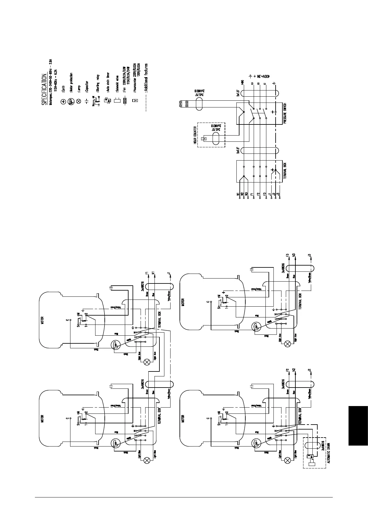
Electrical drawing model 24 - 400V / 50Hz
6070310
Drawings

Related product manuals