EasyManua.ls Logo

Jun-Air 87R - Page 13

Jun-Air 87R
27 pages
Print Icon
To Next Page IconTo Next Page
To Next Page IconTo Next Page
To Previous Page IconTo Previous Page
To Previous Page IconTo Previous Page
Loading...
13
86/87R Compressor System User Guide 6190755 (Rev A)
© 2015, JUN-AIR
We reserve the right to make any alterations which may be due to any technical improvements
Printed in the USA
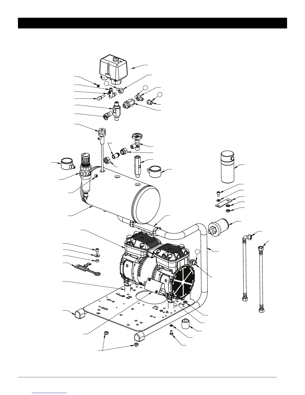
86/87R- XB Exploded Views
87R-4B 230V - 50Hz
5320226
COMPLETE
A-A 6457028
B-B 6420000
6253000
6252010
5960000
3051000
7156000
5130000
5130000
4071039
6340500
5427002
5031000
7190000
7071000
5414500
7164200
5418000
5416100
6975002
6973090
6341101
6290200
5424000
87R642-104RT-N470X
B
B
A
A
6973105
5427001
5427003
6390000
6314000
7024002
6243710 O-RING
B300A
5237700
6341800
6357100
7540000
6253704
6320200
6296850
6341800
6355000
8008302
6390025
6320200
7565000
5935012
6372700
DATE
DESCRIPTION
PART NUMBER
1760400 - EXPLODED
SHEET 1 OF 1
REFERENCE ONLY
2/20/2015
1760400
87R-4B 230V/50Hz CE

Related product manuals