EasyManua.ls Logo

Jun-Air OF302-25BD2 - Diagramas

Jun-Air OF302-25BD2
54 pages
Print Icon
To Next Page IconTo Next Page
To Next Page IconTo Next Page
To Previous Page IconTo Previous Page
To Previous Page IconTo Previous Page
Loading...
32
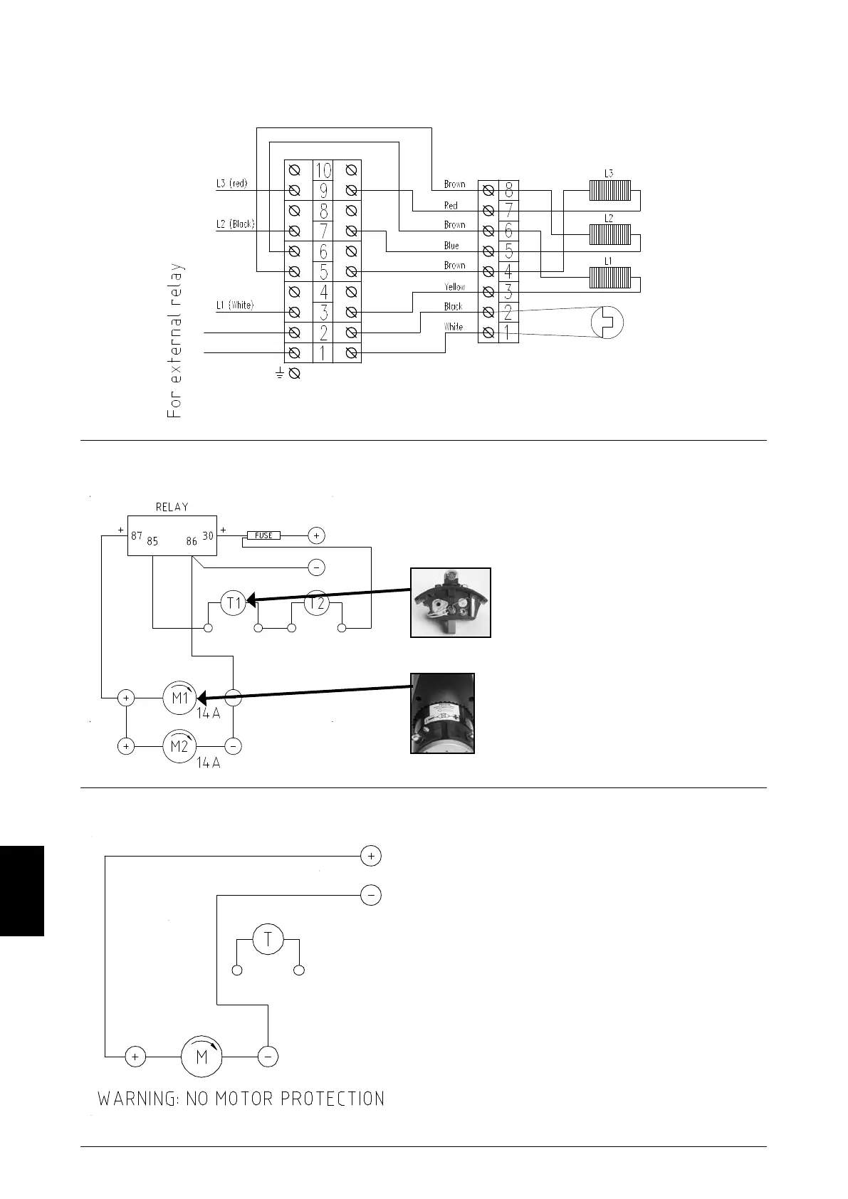
Electrical diagrams - OF301 - 12/24V DC with motor protection
Electrical diagrams - OF301/302 - 3x400V / 50/60Hz
6072864
6072867
6072866
Electrical diagrams - OF301 - 12/24V DC without motor protection
Diagrams

Related product manuals