EasyManua.ls Logo

Jun-Air OF302-25BD2 - Page 52

Jun-Air OF302-25BD2
54 pages
Print Icon
To Next Page IconTo Next Page
To Next Page IconTo Next Page
To Previous Page IconTo Previous Page
To Previous Page IconTo Previous Page
Loading...
36
6073061
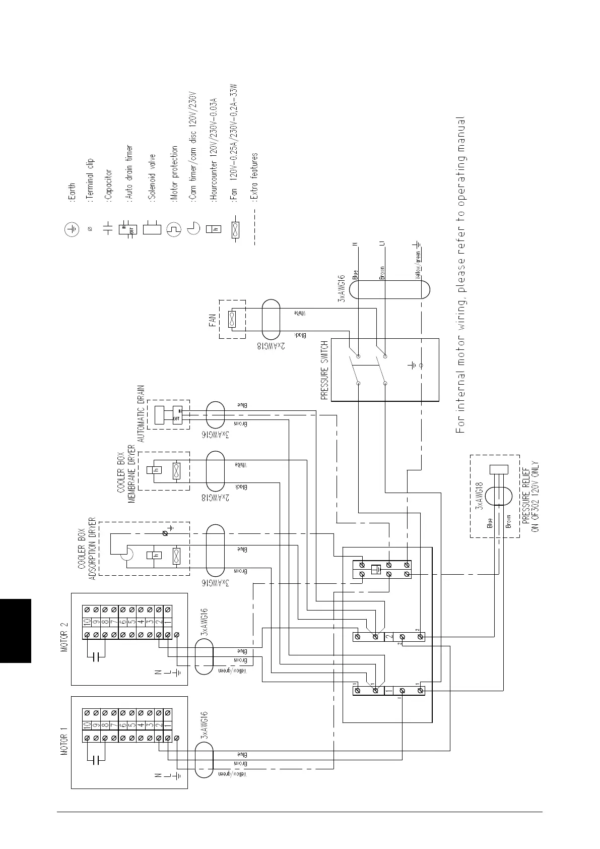
Electrical drawing model 2xOF301/2x302-B(D) - 100/240V / 50/60Hz
Diagrams

Related product manuals