EasyManua.ls Logo

JVC CA-MXG500 - Playing at Random-Random Play; Repeating Tracks or CDs-Repeat Play

JVC CA-MXG500
42 pages
Print Icon
To Next Page IconTo Next Page
To Next Page IconTo Next Page
To Previous Page IconTo Previous Page
To Previous Page IconTo Previous Page
Loading...
MX-G500
1-18
0
9
0
2
9
2
0
2
9
0
0
9
9
0
9
0
9
0
0
0
9
9
9
88
2
0
0
0
0
0
2
2
2
8
8
9
9
9
9
0
9
0
9
2
0
0
2
2
9
0
0
9
0
0
9
0
9
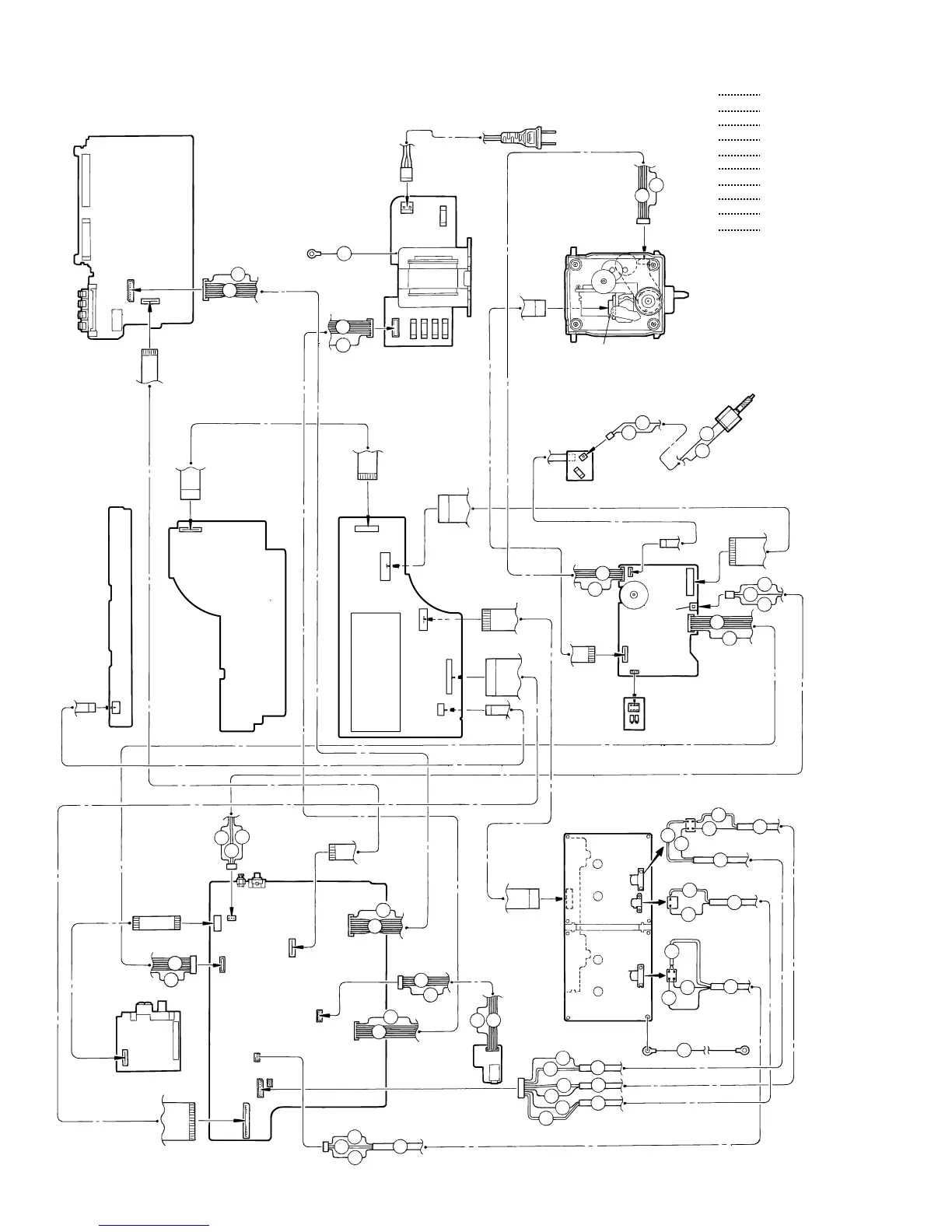
JW1
FCW3
JCW2
FCW3
JCW1
RCW6
OCW
FCW1
FCW2
HCW3
RW1
RW2
HCW2
CD servo board
UCW1
UCW7
UCW2
UCW3
UCW4
UCW6
UCW5
CW3
CW101
CW104
CW102
CW103
CW106
CW107
CW105
CW2
CW1
CW3
AAN1
CD mechanism
RCW2
RFS2
Power transformer
RFS5
RFS6
RFS7
RFS8
PCW1
ACW1
ACW2
FL dispaly & system control board
3809-001222
3809-001184
3809-001228
AH39-20002D
AH39-00022A
AH39-00247A
AH39-00096D
AH39-20025S
3809-001185
AH39-00244A
AH39-00245A
3809-001224
3809-001315
AH39-20561P
3809-001121
16634-502-610
3809-001034
Amp. board
Power /CD switch board
Front key switch board
Tuner board
Main board
Headphone J.board
Color codes are shown below.
1 Brown
2 Red
3 Orange
4 Yellow
5 Green
6 Blue
7 Violet
8Gray
9 White
0 Black
Wiring connection

Other manuals for JVC CA-MXG500

Related product manuals