EasyManua.ls Logo

JVC CA-MXG500

JVC CA-MXG500
42 pages
To Next Page IconTo Next Page
To Next Page IconTo Next Page
To Previous Page IconTo Previous Page
To Previous Page IconTo Previous Page
Loading...
MX-G500
1-39
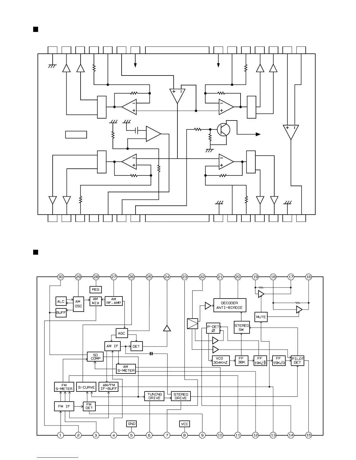
KA9258D (IC301) : 4-ch Motor driver
28 27 26 25 24 23 22 21 20 19 18 17 16 15
1 2 3 4 5 6 7 8 9 10 11 12 13 14
GND
GND
10K
REGULATOR
10K
10K
VCC VCC
10K
10K
T • S • D
10K
10K
10K
50K
MUTE
+-
LEVEL SHIFT
-+
LEVEL SHIFT
LA1837 (IC01) : FM IF/DET AM RF/IF/DET
1.Block diagram
1.Block diagram

Other manuals for JVC CA-MXG500

Related product manuals