EasyManua.ls Logo

JVC CA-UXA52R - Connecting Other Equipment

JVC CA-UXA52R
45 pages
Print Icon
To Next Page IconTo Next Page
To Next Page IconTo Next Page
To Previous Page IconTo Previous Page
To Previous Page IconTo Previous Page
Loading...
– 9 –
Connecting Other Equipment
You can connect both of the analog and digital equipment.
When you connect and use the equipment, refer also to its
manual supplied.
DO NOT connect other equipment while the
power is on.
DO NOT plug in any equipment until all
connections are complete.
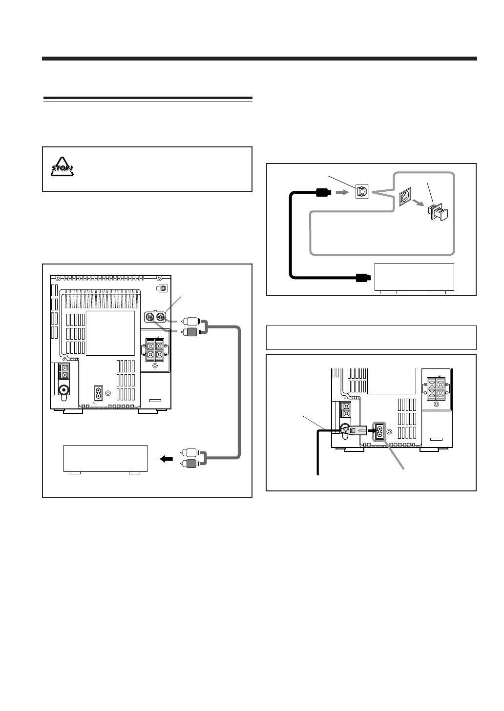
To connect analog audio equipment
Be sure that the plugs of the audio cords and the jacks on
the rear of the unit are color-coded: White plugs and jacks
are for left audio signals, and red ones for right audio
signals.
For playing the other equipment through this unit,
connect between the audio output jacks on the other
equipment and the LINE IN (AUX) jacks by using an audio
cord (not supplied.)
R
SPEAKER IMPEDANCE
L
MIN 4
AC IN
OPTICAL DIGITAL OUT
terminal
NOW, you can plug the AC power cord.
IMPORTANT: Be sure to check all connections to be done
before plugging the AC power cord into a wall outlet.
When connecting the AC power cord into a wall outlet, the
unit automatically starts the display illumination.
To stop and cancel the display demonstration, press
COLOR during display illumination—while the unit is
turned off (on standby.)
To start the display illumination manually, press
COLOR again while the unit is turned off (on standby.)
1
To the AC IN terminal
AC power cord
(supplied)
2
To a wall outlet
To connect audio equipment with an optical digital
input terminal
You can record CD sound onto the connected digital
equipment.
Connect an optical digital cord (not supplied) between the
optical digital input terminal on the other equipment and
the OPTICAL DIGITAL OUT terminal.
Before connecting the other equipment,
remove the protective cap from the
terminal.
Protective cap
Audio equipment with
an optical digital input
R
SPEAKER IMPEDANCE
L
MIN 4
RL
AC IN
To output
Analog audio
equipment
LINE IN
(AUX)
EN01-09UX-A52R[B]_f 01.12.4, 7:48 PM9

Table of Contents

Related product manuals