EasyManua.ls Logo

JVC FS-SD5R - AN8806 SB-W (IC601): RF & Servo Amp.

JVC FS-SD5R
62 pages
Print Icon
To Next Page IconTo Next Page
To Next Page IconTo Next Page
To Previous Page IconTo Previous Page
To Previous Page IconTo Previous Page
Loading...
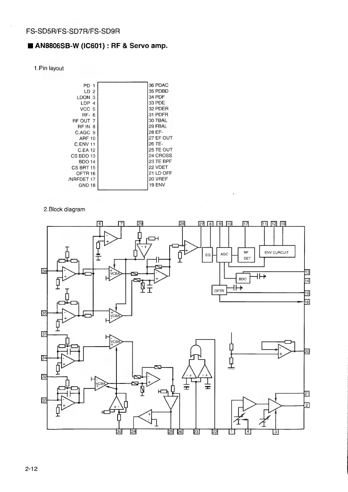
FS-SD5R/FS-SD7R/FS-SD9R
@
AN8806SB-W
(IC601)
:
RF
&
Servo
amp.
1.Pin
layout
PD
1
36
PDAC
LD
2
35
PDBD
LDON
3
34
PDF
LDP
4
33
PDE
VCC
5
32
PDER
RF-
6
31
PDFR
RF
OUT
7
30
TBAL
RF
IN
8
29
FBAL
C.AGC
9
28
EF-
ARF
10
27
EF
OUT
C.ENV
11
26
TE-
C.EA
12
25
TE
OUT
CS
BDO
13
24
CROSS
BDO
14
23
TE
BPF
CS
BRT
15
22
VDET
OFTR
16
21
LD
OFF
/NRFDET
17
20
VREF
GND
18
19
ENV
2.Block
diagram
AGC
RF
ENV
CURCUIT
DET
2-12

Other manuals for JVC FS-SD5R

Related product manuals