EasyManua.ls Logo

JVC FS-SD9 - 2-Channel BTL Power IC Description; Power IC (LA4905)

JVC FS-SD9
54 pages
Print Icon
To Next Page IconTo Next Page
To Next Page IconTo Next Page
To Previous Page IconTo Previous Page
To Previous Page IconTo Previous Page
Loading...
1-23
FS-SD5/FS-SD7/FS-SD9
10
21
20
2
3
4
1
18
19
17
22
23
11
15
14
12
13
16
7
5
6
8
9
Standby SW
Switching
regulator block
CH 1
CH 2
ON MUTE
muting circuit
Pop noise
prevention circuit
Nonlinear amplifier/output stage
Power supply/ground shorting
protection circuit
Overvoltage/thermal protection
circuit
Input amplifier
BEEP
amplifier
Input amplifier
A
B
D
C
Nonlinear/output stage
Amplifier output stage
SW
drive
ABCD
H.L.S.
STBY
D.C
PRE GND
IN 1
IN 2
ON TIME
BEEP
Vcc Vcc(SW)
SW B
SW E
SW OUT1
SW OUT2
SW GND
+OUT 1
+OUT 2
N.C.
-OUT 1
-OUT 2
PWR GND 1
PWR GND 2
H.L.S. :
Higher
Level signal
selector
Ripple
filter
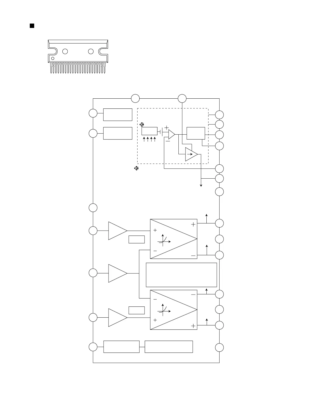
LA4905 (IC301) : 2ch BTL power IC
1. Pinlayput
2. Block diagram
123

Related product manuals