EasyManua.ls Logo

JVC GET0576-002B - Page 4

JVC GET0576-002B
4 pages
Print Icon
To Previous Page IconTo Previous Page
To Previous Page IconTo Previous Page
Loading...
4
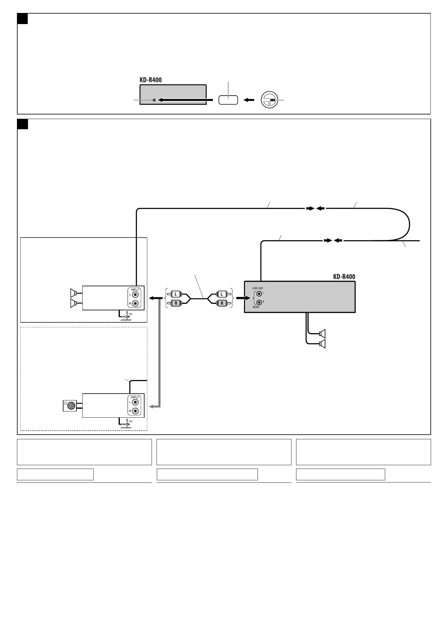
Set “L/O MODE” to “REAR” (See page 16 of the
INSTRUCTIONS.)
Ajuste “L/O MODE” a “REAR” (Consulte la página
16 del MANUAL DE INSTRUCCIONES.)
Réglez “L/O MODE” sur “REAR” (Voir page 16 du
MANUEL D’INSTRUCTIONS.)
C
Connecting the external amplifier or subwoofer / Conexión de los amplificadores o subwoofer externos / Connexion d’amplificateurs
extérieurs ou d’un caisson de grave
You can connect an amplifier to upgrade your car stereo system.
Connect the remote lead (blue with white stripe) to the remote
lead of the other equipment so that it can be controlled through
this unit.
Disconnect the speakers from this unit, connect them to the
amplifier. Leave the speaker leads of this unit unused.
Usted podrá conectar un amplificador para mejorar el sistema estéreo
de su automóvil.
Conecte el conductor remoto (azul con rayas blancas) al conductor
remoto del otro equipo para poderlo controlar a través de esta
unidad.
Desconecte los altavoces de esta unidad y conéctelos al
amplificador. Los cables de los altavoces de esta unidad
quedan sin usar.
Vous pouvez connecter un amplificateur pour améliorer votre système
autoradio.
Connectez le fil de commande à distance (bleu avec bande blanche)
au fil de commande à distance de l’autre appareil de façon qu’il
puisse être commandé via cet appareil.
Déconnectez les enceintes de cet appareil et connectez-les
à l’amplificateur. Laissez les fils d’enceintes de cet appareil
inutilisés.
Remote lead (blue with white stripe)
Cable remoto (azul con rayas blancas)
Fil d’alimentation à distance (bleu avec bande blanche)
To the remote lead of other equipment or automatic antenna if any
Al conductor remoto de otro equipo o de la antena automática, si hubiere
Au fil de télécommande de l’autre appareil ou à l’antenne automatique s’il
y en a une
Front speakers
Altavoces delanteros
Enceintes avant
JVC Amplifier
Amplificador de JVC
JVC Amplificateur
Set “L/O MODE” to “SUB.W” (See page 16 of
the INSTRUCTIONS.)
Ajuste “L/O MODE” a “SUB.W” (Consulte la página 16 del
MANUAL DE INSTRUCCIONES.)
Réglez “L/O MODE” sur “SUB.W”
(Voir page 16 du
MANUEL D’INSTRUCTIONS.)
Subwoofer
Subwoofer
Caisson de grave
Rear speakers
Altavoces posteriores
Enceintes arrière
or / o / ou
Y-connector (not supplied for this unit)
Conector en Y (no suministrado con esta unidad)
Connecteur Y (non fourni avec cet appareil)
JVC Amplifier
Amplificador de JVC
JVC Amplificateur
Signal cord (not supplied for this unit)
Cable de señal (no suministrado con esta unidad)
Cordon de signal (non fourni avec cet appareil)
B
Connecting to the steering wheel remote controller /
Conexión al control remoto del volante de dirección
/ Connexion de la télécommande
de volant
If your car is equipped with the steering wheel remote controller,
you can operate this unit using the controller. For connection, an
exclusive remote adapter (not supplied) which matches your car is
required. For details, consult the same car audio dealer as where the
unit is purchased.
Steering wheel remote input
Entrada del control remoto del volante de dirección
Entrée de la télécommande de volant
Steering wheel remote controller (equipped in the car)
Control remoto del volante de dirección (equipado en el vehículo)
Télécommande de volant (installée dans la voiture)
Remote adapter (not supplied for this unit)
Adaptador para remoto exclusivo (no suministrado con esta unidad)
Adaptateur pour télécommande spécialisé (non fourni avec cet appareil)
Si votre voiture est équipée d’une télécommande de volant, vous
pouvez commander cet autoradio en utilisant cette télécommande.
Pour la connexion, vous avez besoin d’un adaptateur de
télécommande spécialisé (non fourni) correspondant à votre voiture.
Pour en savoir plus, consultez le revendeur autoradio où vous avez
acheté votre autoradio.
Si su automóvil está equipado con control remoto en el volante de
dirección, podrá controlar este receptor utilizando el control remoto.
Para la conexión, se requiere un adaptador remoto exclusivo (no
suministrado) que sea adecuado para su automóvil. Para los detalles,
consulte con el concesionario car audio donde compró el receptor.
Remote lead
Cable remoto
Fil d’alimentation à distance
Remote lead
Cable remoto
Fil d’alimentation
à distance
*
3
Firmly attach the ground wire to the metallic body or to the chassis of
the car—to the place uncoated with paint (if coated with paint, remove
the paint before attaching the wire). Failure to do so may cause damage
to the unit.
*
3
Fije firmemente el cable de tierra a la carrocería metálica o al chasis—a un
lugar no cubierto con pintura (si está cubierto con pintura, quítela antes de
fijar el cable). De lo contrario, se podrían producir daños en la unidad.
*
3
Attachez solidement le fil de mise à la masse au châssis métallique de la
voiture—à un endroit qui n’est pas recouvert de peinture (s’il est recouvert
de peinture, enlevez d’abord la peinture avant d’attacher le fil). L’appareil
peut être endommagé si cela n’est pas fait correctement.
TROUBLESHOOTING
The fuse blows.
* Are the red and black leads connected correctly?
Power cannot be turned on.
* Is the yellow lead connected?
No sound from the speakers.
* Is the speaker output lead short-circuited?
Sound is distorted.
* Is the speaker output lead grounded?
* Are the “–” terminals of L and R speakers grounded in common?
Noise interfere with sounds.
* Is the rear ground terminal connected to the car’s chassis using
shorter and thicker cords?
This unit becomes hot.
* Is the speaker output lead grounded?
* Are the “–” terminals of L and R speakers grounded in common?
This unit does not work at all.
* Have you reset your unit?
LOCALIZACION DE AVERIAS
El fusible se quema.
* ¿Están los conductores rojo y negro correctamente conectados?
No es posible conectar la alimentación.
* ¿Está el cable amarillo conectado?
No sale sonido de los altavoces.
* ¿Está el cable de salida del altavoz cortocircuitado?
El sonido presenta distorsión.
* ¿Está el cable de salida del altavoz conectado a masa?
* ¿Están los terminales “–” de los altavoces L y R conectados a una
masa común?
Perturbación de ruido.
* ¿El terminal de tierra trasero está conectado al chasis del automóvil
utilizando los cordones más corto y más grueso?
Esta unidad se calienta.
* ¿Está el cable de salida del altavoz conectado a masa?
* ¿Están los terminales “–” de los altavoces L y R conectados a una
masa común?
Esta unidad no funciona en absoluto.
* ¿Reinicializó la unidad?
EN CAS DE DIFFICULTES
Le fusible saute.
* Les fils rouge et noir sont-ils racordés correctement?
L’appareil ne peut pas être mise sous tension.
* Le fil jaune est-elle raccordée?
Pas de son des enceintes.
* Le fil de sortie d’enceinte est-il court-circuité?
Le son est déformé.
* Le fil de sortie d’enceinte est-il à la masse?
* Les bornes “–” des enceintes gauche et droit sont-elles mises ensemble
à la masse?
Interférence avec les sons.
* La prise arrière de mise à la terre est-elle connectée au châssis de la
voiture avec un cordon court et épais?
Cet appareil devient chaud.
* Le fil de sortie d’enceinte est-il à la masse?
* Les bornes “–” des enceintes gauche et droit sont-elles mises ensemble
à la masse?
Cet appareil ne fonctionne pas du tout.
* Avez-vous réinitialisé votre appareil?
Install2_KD-R400[J]_1.indd 4Install2_KD-R400[J]_1.indd 4 5/9/08 2:48:19 PM5/9/08 2:48:19 PM

Related product manuals