EasyManua.ls Logo

JVC KD-DV7406 - Page 5

JVC KD-DV7406
6 pages
To Next Page IconTo Next Page
To Next Page IconTo Next Page
To Previous Page IconTo Previous Page
To Previous Page IconTo Previous Page
Loading...
5
E
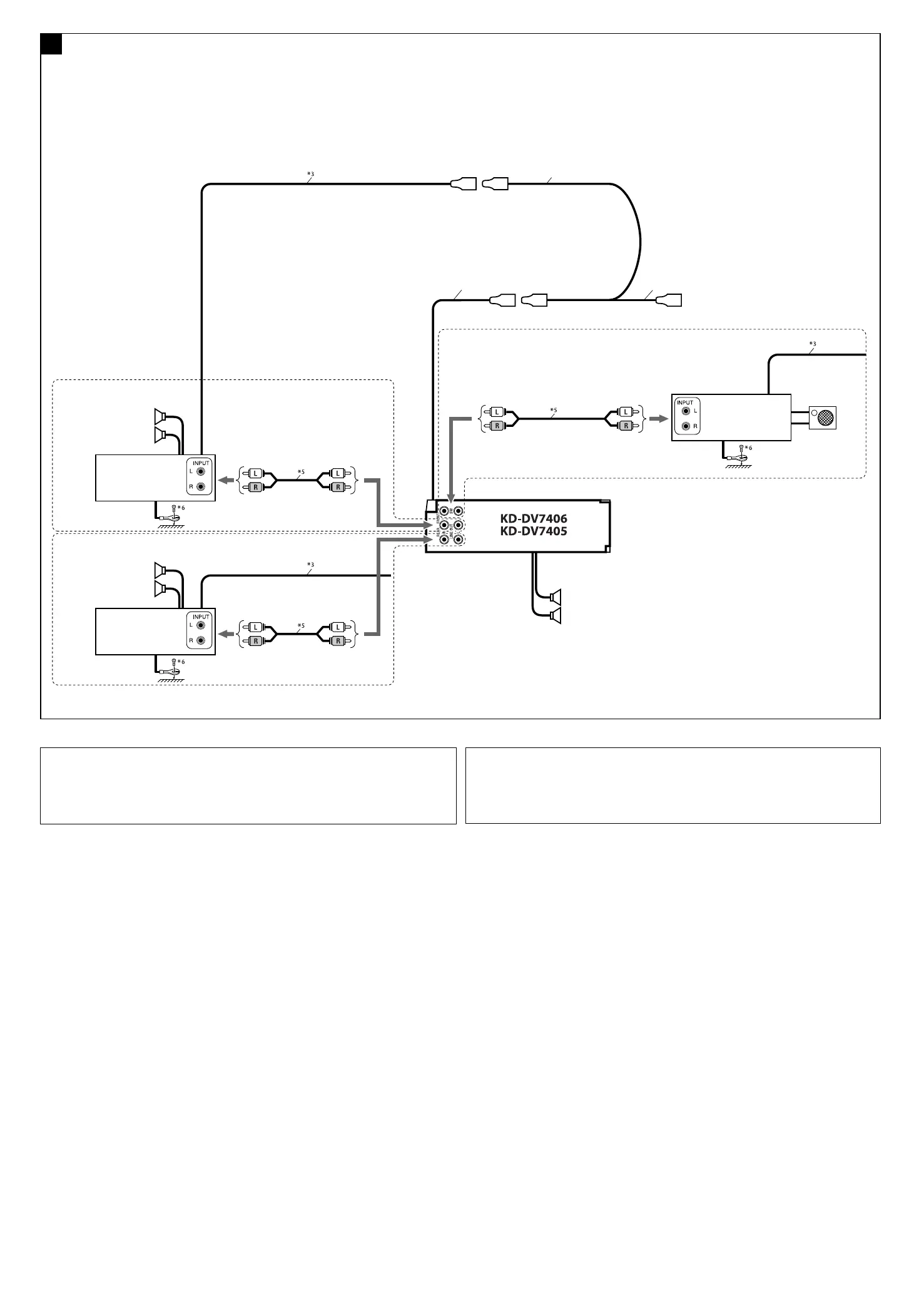
Rear speakers
Speaker-speaker belakang
JVC Amplifier
Penguat JVC
Y-connector *
4
Konektor Y *
4
Remote lead (blue with white stripe)
Ujung jauh (biru dengan strip putih)
To the remote lead of other equipment
or automatic antenna if any
Ke ujung jauh dari peralatan lain atau
antena otomatis jika ada
Front speakers
Speaker-speaker depan
*
3
Ujung jauh
*
4
Tidak disediakan untuk unit ini.
*
5
Kabel sinyal (tidak disediakan untuk unit ini).
*
6
Pasangkan dengan kuat kabel tanah ke bodi besi atau ke casis dari mobil—pada tempat yang tidak dilapisi cat
(jika dilapisi cat, hilangkan cat sebelum memasang kabel). Kegagalan melakukan ini mungkin menyebabkan
kerusakan pada alat penerima tersebut.
*
3
Remote lead
*
4
Not supplied for this unit.
*
5
Signal cord (not supplied for this unit).
*
6
Firmly attach the ground wire to the metallic body or to the chassis of the car—to the place uncoated with paint
(if coated with paint, remove the paint before attaching the wire). Failure to do so may cause damage to the
unit.
Connecting the external amplifiers and subwoofer / Penyambungan penguat eksternal dan subwoofer
You can connect amplifiers to upgrade your car stereo system.
Connect the remote lead (blue with white stripe) to the remote lead of the other equipment so that it
can be controlled through this unit.
Disconnect the speakers from this unit, connect them to the amplifier. Leave the speaker
leads of this unit unused.
Anda dapat menyambungkan penguat-penguat untuk meningkatkan sistem stereo mobil anda.
Sambungkan ujung jauh (biru dengan strip putih) ke ujung jauh dari peralatan lain sehingga dapat
dikontrol melalui alat penerima ini.
Putuskan sambungan speaker-speaker dari alat penerima ini, sambungkan ini ke penguat.
Biarkan ujung speaker dari alat penerima ini tidak digunakan.
Front speakers
Speaker-speaker depan
JVC Amplifier
Penguat JVC
Subwoofer
Subwoofer
JVC Amplifier
Penguat JVC
Instal4-6_DV7406_008A_f.indd 5Instal4-6_DV7406_008A_f.indd 5 1/31/08 11:31:34 AM1/31/08 11:31:34 AM

Other manuals for JVC KD-DV7406

Related product manuals