EasyManua.ls Logo

JVC KD-S777R - Page 28

JVC KD-S777R
50 pages
Print Icon
To Next Page IconTo Next Page
To Next Page IconTo Next Page
To Previous Page IconTo Previous Page
To Previous Page IconTo Previous Page
Loading...
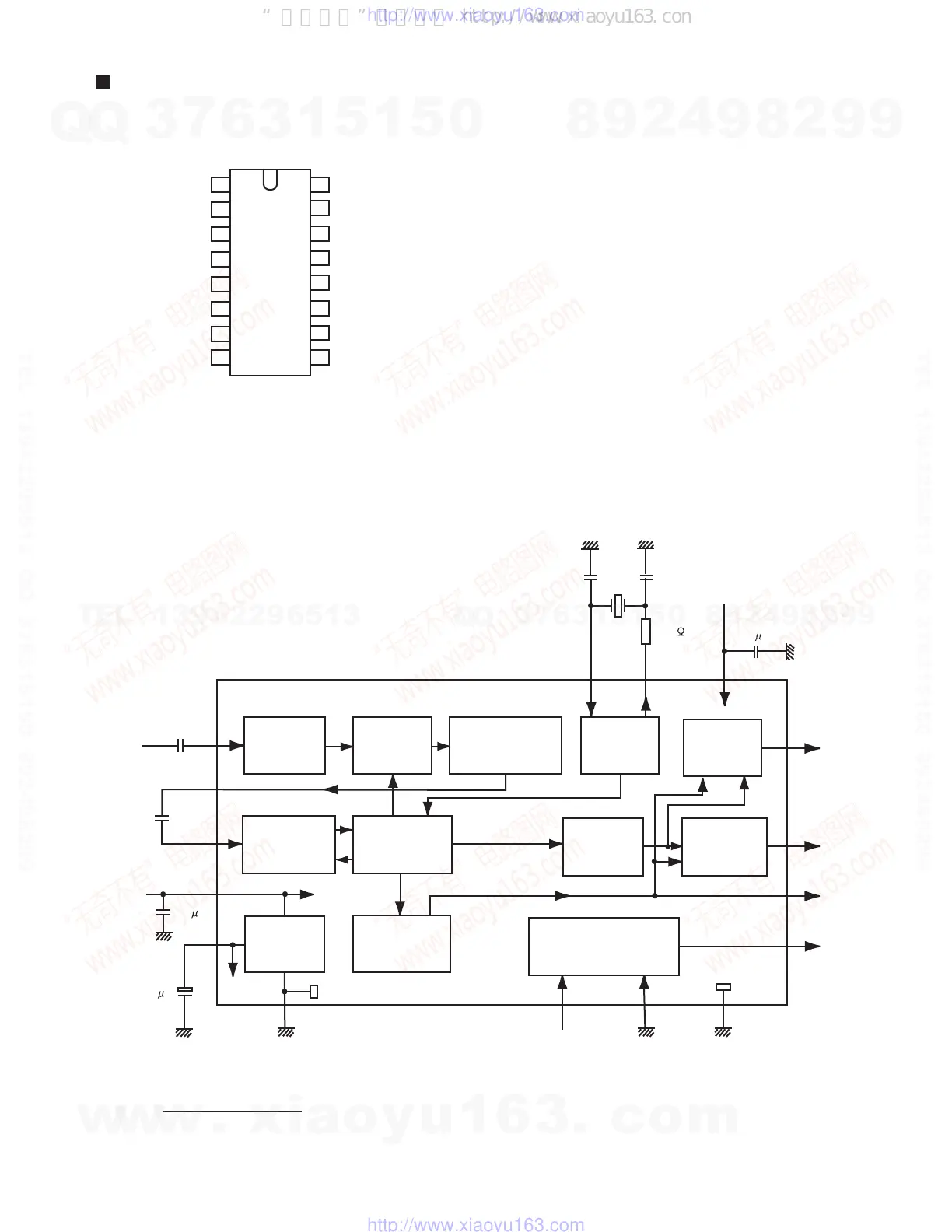
SAA6579T-X(IC71):RDS Detecter
1. Pin layout
2. Block diagram
1
2
3
4
5
6
7
8
16
15
14
13
12
11
10
9
QUAL
RDDA
Vref
MUX
VODA
VSSA
CIN
SOUT
RDSL
T57
OSCO
OSCI
VDDD
VSSD
TEST
MODE
Via the pin MODE two different crystal frequencies can be used:
MODEL x-tal clock
LOW 4.332 MHz
HIGH 8.664 MHz
V SSA
6
REFERENCE
VOLTAGE
CLOCK
REGENERATION
AND SYNC
TEST LOGIC AND OUTPUT
SELECTOR SWITCH
BIPHASE
SYMBOL
DECODER
DIFERENTIAL
DECODER
QUALITY BIT
GENERATOR
OSCILLATOR
AND
DIVIDER
RECONSRTUCTION
FILTER
CLOCKED
COMPARATOR
COSTAS LOOP
VARIABLE AND
FIXED DIVIDER
ANTIL
ALIASING
FILTER
57 kHz
BANDPASS
(8th ORDER)
47pF 82pF
4.332/8.664 MHz
OSCI OSCO
QUAL
RDDA
RDCL
T57
TEST
MODE
VSSD
VDDD
2.2k
+5V
13 14 12
0.1 F
1
2
16
15
11109
MEH162
2.2 F
0.1 F
+
+5V
VDDA
CIN
3
5
7
8
4
Vref
VP1
560pF
SCOUT
MUX
MPX
signal
330pF
w
w
w
.
x
i
a
o
y
u
1
6
3
.
c
o
m
Q
Q
3
7
6
3
1
5
1
5
0
9
9
2
8
9
4
2
9
8
T
E
L
1
3
9
4
2
2
9
6
5
1
3
9
9
2
8
9
4
2
9
8
0
5
1
5
1
3
6
7
3
Q
Q
TEL 13942296513 QQ 376315150 892498299
TEL 13942296513 QQ 376315150 892498299
http://www.xiaoyu163.com
http://www.xiaoyu163.com
“无奇不有”电路图网 http://www.xiaoyu163.com

Other manuals for JVC KD-S777R

Related product manuals