EasyManua.ls Logo

JVC KD-SH1000 - Page 48

JVC KD-SH1000
282 pages
Print Icon
To Next Page IconTo Next Page
To Next Page IconTo Next Page
To Previous Page IconTo Previous Page
To Previous Page IconTo Previous Page
Loading...
4
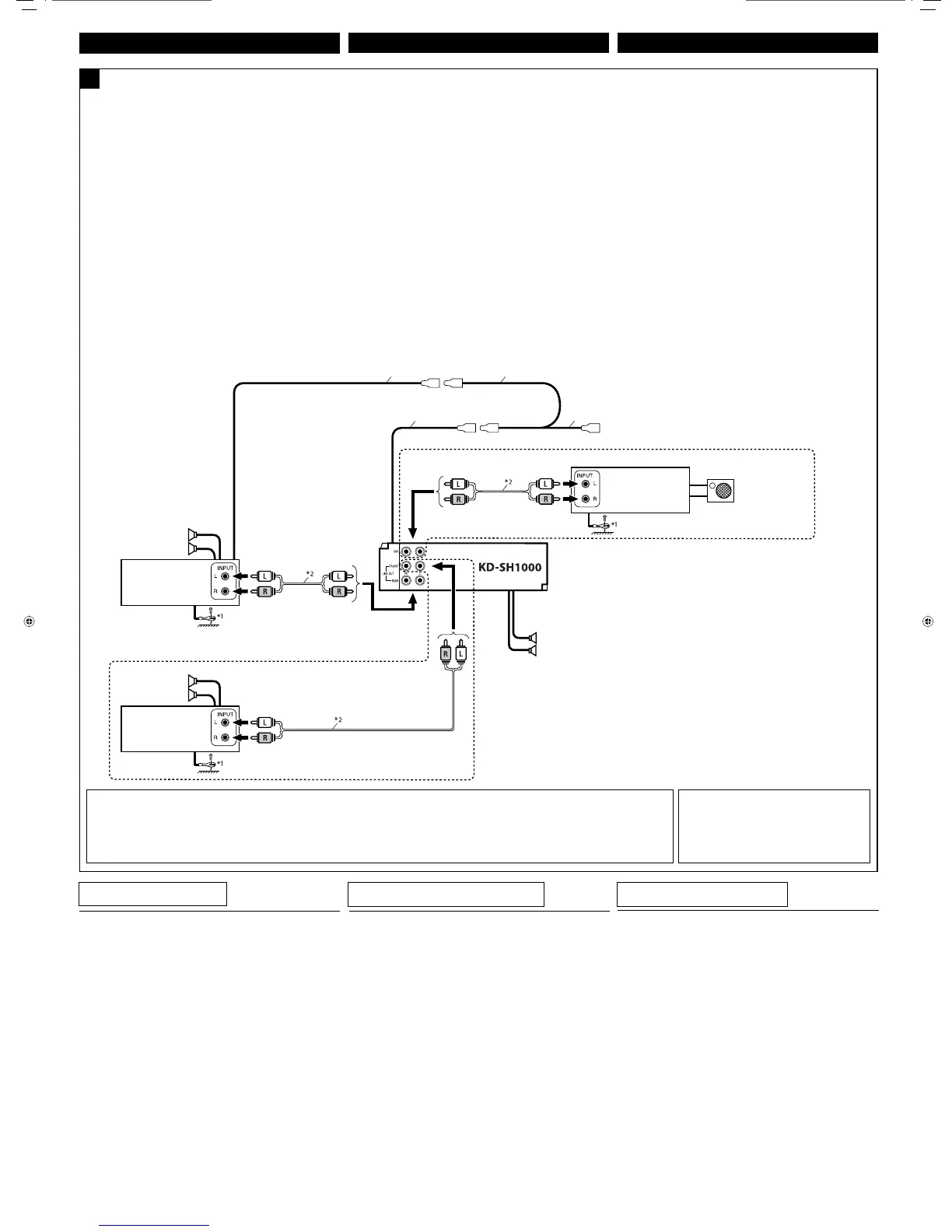
Connecting the external amplifiers and/or subwoofer / Conexión de los amplificadores y/o subwoofer externos / Connexion d’amplificateurs
extérieurs et/ou d’un caisson de grave
You can connect amplifiers to upgrade your car stereo system.
Connect the remote lead (blue with white stripe) to the remote
lead of the other equipment so that it can be controlled through
this unit.
For amplifier only:
Disconnect the speakers from this unit, connect them
to the amplifier. Leave the speaker leads of this unit
unused.
– You can switch off the built-in amplifier and send the audio
signals only to the external amplifier(s) to get clear sounds and
to prevent internal heat built-up inside the unit (see page 22 of
the INSTRUCTIONS).
The line output level of this unit is kept high to maintain the
hi-fi sounds reproduced from this unit.
When connecting an external amplifier to this unit, turn down
the gain control on the external amplifier to obtain the best
performance from this unit.
*
1
Firmly attach the ground wire to the metallic body or to the chassis of the car—to the place uncoated with paint (if coated with paint, remove the paint before attaching the
wire). Failure to do so may cause damage to the unit.
*
1
Fije firmemente el cable de tierra a la carrocería metálica o al chasis—a un lugar no cubierto con pintura (si está cubierto con pintura, quítela antes de fijar el cable). De lo
contrario, se podrían producir daños en la unidad.
*
1
Attachez solidement le fil de mise à la masse au châssis métallique de la voiture—à un endroit qui n’est pas recouvert de peinture (s’il est recouvert de peinture, enlevez d’abord
la peinture avant d’attacher le fil). L’appareil peut être endommagé si cela n’est pas fait correctement.
Vous pouvez connecter des amplificateurs pour améliorer votre
système autoradio.
Connectez le fil de commande à distance (bleu avec bande blanche)
au fil de commande à distance de l’autre appareil de façon qu’il
puisse être commandé via cet appareil.
Pour l’amplificateur seulement:
Déconnectez les enceintes de cet appareil et connectez-
les à lamplificateur. Laissez les fils d’enceintes de cet
appareil inutilisés.
Vous pouvez désactiver l’amplificateur intégré et envoyer les
signaux audio uniquement à un ou plusieurs amplificateurs
extérieurs afin d’obtenir un son clair et pour éviter un
échauffement interne de l’appareil (voir page 22 du MANUEL
D’INSTRUCTIONS).
Le niveau de sortie de ligne de cet appareil est maintenu à un
niveau élevé pour maintenir une qualité Hi-Fi pour les sons
reproduits par cet appareil.
Lors de la connexion d’un amplificateur extérieur à cet appareil,
diminuez le réglage du gain sur l’amplificateur extérieur pour
obtenir les meilleures performances de cet appareil.
*
2
Signal cord (not supplied for this unit)
*
2
Cable de señal (no suministrado con esta unidad)
*
2
Cordon de signal (non fourni avec cet autoradio)
ENGLISH
FRANÇAIS
B
Usted podrá conectar amplificadores para mejorar el sistema estéreo
de su automóvil.
Conecte el conductor remoto (azul con rayas blancas) al conductor
remoto del otro equipo para poderlo controlar a través de esta
unidad.
Sólo para el amplificador:
Desconecte los altavoces de esta unidad y conéctelos al
amplificador. Los cables de los altavoces de esta unidad
quedan sin usar.
Podrá desconectar el amplificador incorporado y enviar las señales
de audio solamente al(los) amplificador(es) externo(s) para obtener
sonidos nítidos y evitar que se caliente el interior de la unidad.
Consulte la página 22 del MANUAL DE INSTRUCCIONES (volumen
separado).
El nivel de salida de línea de esta unidad permanece alto para que
corresponda con los sonidos de alta fidelidad reproducidos por
esta unidad.
Cuando conecte un amplificador externo a esta unidad, disminuya
el control de ganancia del amplificador externo para obtener un
óptimo rendimiento de esta unidad.
Remote lead
Cable remoto
Fil d’alimentation à distance
Y-connector (not supplied for this unit)
Conector en Y (no suministrado con esta unidad)
Connecteur Y (non fourni avec cet appareil)
Remote lead (Blue with white stripe)
Cable remoto (Azul con rayas blancas)
Fil d’alimentation à distance (Bleu avec bande blanche)
To the remote lead of other equipment or automatic antenna if any
Al conductor remoto de otro equipo o de la antena automática, si hubiere
Au fil de télécommande de l’autre appareil ou à l’antenne automatique s’il y en a une
JVC Amplifier
Amplificador de JVC
JVC Amplificateur
JVC Amplifier
Amplificador de JVC
JVC Amplificateur
JVC Amplifier
Amplificador de JVC
JVC Amplificateur
Subwoofer
Subwoofer
Caisson de grave
Rear speakers
Altavoces posteriores
Enceintes arrière
Front speakers
Altavoces delanteros
Enceintes avant
Front speakers
Altavoces delanteros
Enceintes avant
TROUBLESHOOTING
The fuse blows.
* Are the red and black leads connected correctly?
Power cannot be turned on.
* Is the yellow lead connected?
No sound from the speakers.
* Is the speaker output lead short-circuited?
Sound is distorted.
* Is the speaker output lead grounded?
* Are the “–” terminals of L and R speakers grounded in common?
Noise interfere with sounds.
* Is the rear ground terminal connected to the car’s chassis using
shorter and thicker cords?
This unit becomes hot.
* Is the speaker output lead grounded?
* Are the “–” terminals of L and R speakers grounded in common?
This unit does not work at all.
* Have you reset your unit?
LOCALIZACION DE AVERIAS
El fusible se quema.
* ¿Están los conductores rojo y negro correctamente conectados?
No es posible conectar la alimentación.
* ¿Está el cable amarillo conectado?
No sale sonido de los altavoces.
* ¿Está el cable de salida del altavoz cortocircuitado?
El sonido presenta distorsión.
* ¿Está el cable de salida del altavoz conectado a masa?
* ¿Están los terminales “–” de los altavoces L y R conectados a una
masa común?
Perturbación de ruido.
* ¿El terminal de tierra trasero está conectado al chasis del automóvil
utilizando los cordones más corto y más grueso?
La unidad se calienta.
* ¿Está el cable de salida del altavoz conectado a masa?
* ¿Están los terminales “–” de los altavoces L y R conectados a una
masa común?
Este receptor no funciona en absoluto.
* ¿Reinicializó el receptor?
EN CAS DE DIFFICULTES
Le fusible saute.
* Les fils rouge et noir sont-ils racordés correctement?
L’appareil ne peut pas être mise sous tension.
* Le fil jaune est-elle raccordée?
Pas de son des enceintes.
* Le fil de sortie d’enceinte est-il court-circuité?
Le son est déformé.
* Le fil de sortie d’enceinte est-il à la masse?
* Les bornes “–” des enceintes gauche et droit sont-elles mises ensemble
à la masse?
Interférence avec les sons.
* La prise arrière de mise à la terre est-elle connectée au châssis de la
voiture avec un cordon court et épais?
L’appareil devient chaud.
* Le fil de sortie d’enceinte est-il à la masse?
* Les bornes “–” des enceintes gauche et droit sont-elles mises ensemble
à la masse?
Cet appareil ne fonctionne pas du tout.
* Avez-vous réinitialisé votre appareil?
ESPAÑOL
Instal4-6_KD-SH1000_002_f.indd 4Instal4-6_KD-SH1000_002_f.indd 4 2/13/06 12:16:26 PM2/13/06 12:16:26 PM

Other manuals for JVC KD-SH1000

Related product manuals