EasyManua.ls Logo

JVC KD-SHX705 - Selecting playback modes-MODE

JVC KD-SHX705
67 pages
Print Icon
To Next Page IconTo Next Page
To Next Page IconTo Next Page
To Previous Page IconTo Previous Page
To Previous Page IconTo Previous Page
Loading...
2-2
SHEET 1
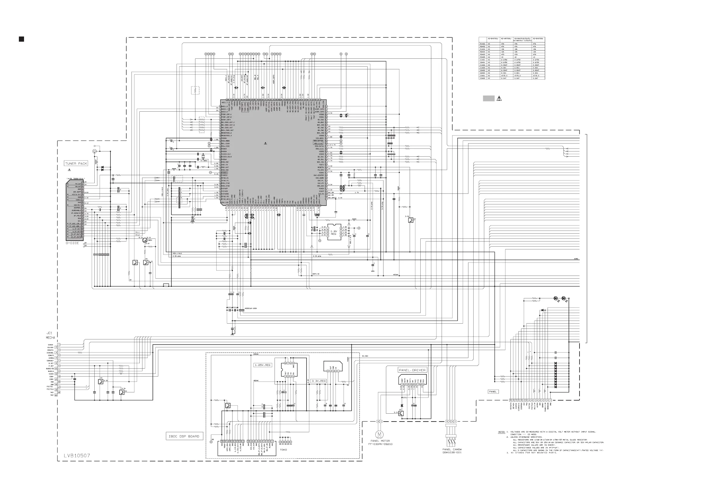
Standard schematic diagrams
DSP section
To CN501
(SHEET 5)
To CN801
(SHEET 4)
(SHEET 1)
Parts are safety assurance parts.
When replacing those parts make
sure to use the specified one.
R1323
R2
CN701
D711
D712
IC991
C5
C3
J1
D713
D1
D714
R1001
D2
D716
C2
R3
R4
D717
C39
C38
R8
R7
C4
R991
R5
R6
C42
C43
C44
C45
X1
C32
C33
C37
L31
D722
L30
C28
L40
C46
C47
L63
Q30
R49
C60 C61
IC10
C76
C55
Q991
R45
C31
C30
C75
C69
R9
R778
D991
C79
L61
IC11
R44
R60
R61
R12
R78
D719
R779
D721
R10
R64
R63
R72
R73
R74
R780
R772
R771
D718
R2401
R77
R76
R75
R67
R66
R65
R1401
R69
R68
R71
R70
D715
D710
D709
R59
C56
C57
IC132
C13
C2404
C1404
IC130
C1501
C1502
R2503
R1503
R3401
J1
TU1
TU1
R1309
R90
R89
KAGC1
R1322
IC131
C21
C22
C29
C83
C84
R88
R87
R86
Q1321
IC132
R4057
R7204
IC132
C726
C725
TU1
R1
R1321
RDS-D2
RDS-C2
R1326
C1322
C1321
C1324
C1323
REG18O
R62
SCL-DI
SDA-DI
R7201
R7202
R7203
Q7202
L7201
SD_O2
SD_O1
L1
R11
C41
C40
C34
C35
CN721
R43
R42
R93
R7401
C62
R775
C59
C63
R41
C82
C80
L41
C48
C49
C50 C51
C54
R40
C58
C36
C81
C52
R92
C65
R58
Q3
Q1
C64
C88
L62
R48
R13
C3801
C2402
C1402
R2402
R1402
C3401
C1401
R1404
C2401
R2404
R3403
C3402
C72
C73
C74
C66
C67
C68
C70
C71
R7402
C14
R3405
R82
R1305
R85
R84
ADSP7
ADSP8
ADSP9
ADSP10
ADSP11
ADSP12
TDSP1
TDSP2
TDSP3
TDSP4
TDSP5
TDSP6
TDSP7
TDSP9
TDSP8
TDSP10
TDSP11
TDSP12
ADSP6
ADSP5
C2501
R2504
R1504
C2502
R1306
R1307
R94
C1314
C1315
C53
C7
C8
C9
C10
C11
C12
R91
C77
C78
C87
C86
C85
L705
L706
C991
Q2
C6
R1000
R1315
L704
C1311
C1312
R1312
R1313
C1313
AGC2_1
AGC2_2
C1302
R1324
R1325
C1301
C1303
C1304
C992
CN991
CN992
R1314
R1311
REG18I
C1
C7201
C7202
C7203
C7204
Q7201
NI
1k
QGF1041C1-16W
UDZS5.6B-X
UDZS5.6B-X
BA6956AN
390P
390P
QAM0556-002
UDZS5.6B-X
1SS355-X
UDZS5.6B-X
0
1SS355-X
UDZS5.6B-X
47/16
0
0
UDZS5.6B-X
NI
NI
100
100
47/16
1k
330
330
0.1
0.1
4.7/6.3
4.7/6.3
QAX0781-001Z18p
10p
0.01
2.2
UDZS5.6B-X
NQR0129-003X
10/6.3
NQR0129-003X
0.1
4.7/6.3
1.8
UN2211-X
10k
0.1 100/6.3
SAF7730HV/N114F
0.022
0.1
UN2211-X
0
220P
NI
NI
220P
27k
6.8k
UDZS3.9B-X
10/6.3
NQR0129-003X
PHK04P02T-X
0
10
NI
10k
100
SML-310LT/MN/-X
6.8k
NI
27k
100
100
100
100
100
6.8k
820
820
SML-310LT/MN/-X
**
**
6.8k
100
100
100
100
100
100
6.8k
**
*
*
*
**
100
100
100
100
UDZS5.6B-X
UDZS5.6B-X
UDZS5.6B-X
NI
100p
100p
*
390P
0.001
0.001
NI
100p
1
6.8k
6.8k
47k
NI
NI
NI
NI
NI
0.001
0.001
10/6.3
NI
NI
NI
NI
NI
NI
NI
0
NI
QAU0329-001
0.01
0.01
QAU0325-001
NI
NI
NI
NI
NI
NI
NI
NI
NI
0
0
UN2211-X
47
NQL79GM-4R7X
10
0.1
100p
4.7/6.3
0.1
QGB2027M5-20S
2.2k
2.2k
0
0
220/6.3
2.2k
0.033
0.022
10
0.022
0.022
NI
100/6.3
NI
22/6.3 0.047
47/6.3
100
4.7/6.3
180p
220P
NI
0
470p
47k
NI
2SB815/7/-X
1
10/6.3
00
1k
0.0033
47k
47k
47k
100p
100p
100p
100p
100p
0
390P
0
NI
0
0
100p
10k
10k
1
NI
NI
NI
NI
NI
1
390p
NI
NI
NI
NI
NI
0
0.01
0.01
0.1/50
0.1
0.1
4.7
4.7
100/10
UN2211-X
NI
0
NI
4.7
NI
NI
NI
NI
NI
NI
NI
NI
NI
NI
NI
0.047
QGA2501C1-02
QGA2001C1-04
NI
NI
0.0022
0.01
0.01
0.01
0.01
UN2211-X
SUBWFER
AFCK
LINE.IN-L
LINE.IN-R
CDMUTE
RDS_DATA
IDM_ON
DSP-INITIAL
PSAVE2
DETACH
RST_101E
DGND
ACC5V
DISPCK
DISPDA
DISPCE
PANEL3.3V
RDS_CLK
CDDATA
KEY
REMOCON
18V
10V
VDD_1.8_B
DSP3.3V
Chenger-R
Chenger-L
LINE.IN-GND
IDM_DATA
DSP3.3V
8V
IDM_WS
IDM_BCK
CDLRCK
CDSCK
DGND
SW5V
DGND
DIRNCLK
5V_REG
9V
iboc_bck
iboc_i
iboc_ws
iboc_q
blend
DIRNSDINA
DIRNBCK
DIRNLRCLK
iboc_SDA
iboc_SCK
IDM_ON
DGND
PICTDI
PICTCLK
VDD5V
CODE2
CDREQ
CODE3
PMKICK
RESET_EVM
CODE1
blend
PM-
PON
CDRESET
PSAVE2
JBUS_SI/SO
JBUS_SCK
DRI_ON
PM+
CDSCK
CDLRCK
CDDATA
RFON
BUSENABLE
DSP_TUNER_IIC_SDA
DSP_TUNER_IIC_SCL
RESET_7730
RDS_DATA
RDS_CLK
RESET_7730
BUSENABLE
AFCK
RFON
PICTDI
DSP_TUNER_IIC_SDA
DSP_TUNER_IIC_SCL
PSAVE2
IDM_WS
PICTCLK
RESET_EVMIDM_DATA
iboc_SDA
IDM_BCK
iboc_ws
iboc_bck
iboc_q
iboc_i
DRI_ON
DSP-INITIAL
DIRNSDINA
DIRNBCK
DIRNLRCLK
PM+
iboc_SCK
PM-
PMKICK
JBUS_SI/SO
JBUS_SCK
CDRESET
blend
CDMUTE
CDREQ
CODE1
CODE2
CODE3
PON
!

Other manuals for JVC KD-SHX705

Related product manuals