EasyManua.ls Logo

JVC KD-SHX705 - External Component Operations

JVC KD-SHX705
67 pages
Print Icon
To Next Page IconTo Next Page
To Next Page IconTo Next Page
To Previous Page IconTo Previous Page
To Previous Page IconTo Previous Page
Loading...
2-4
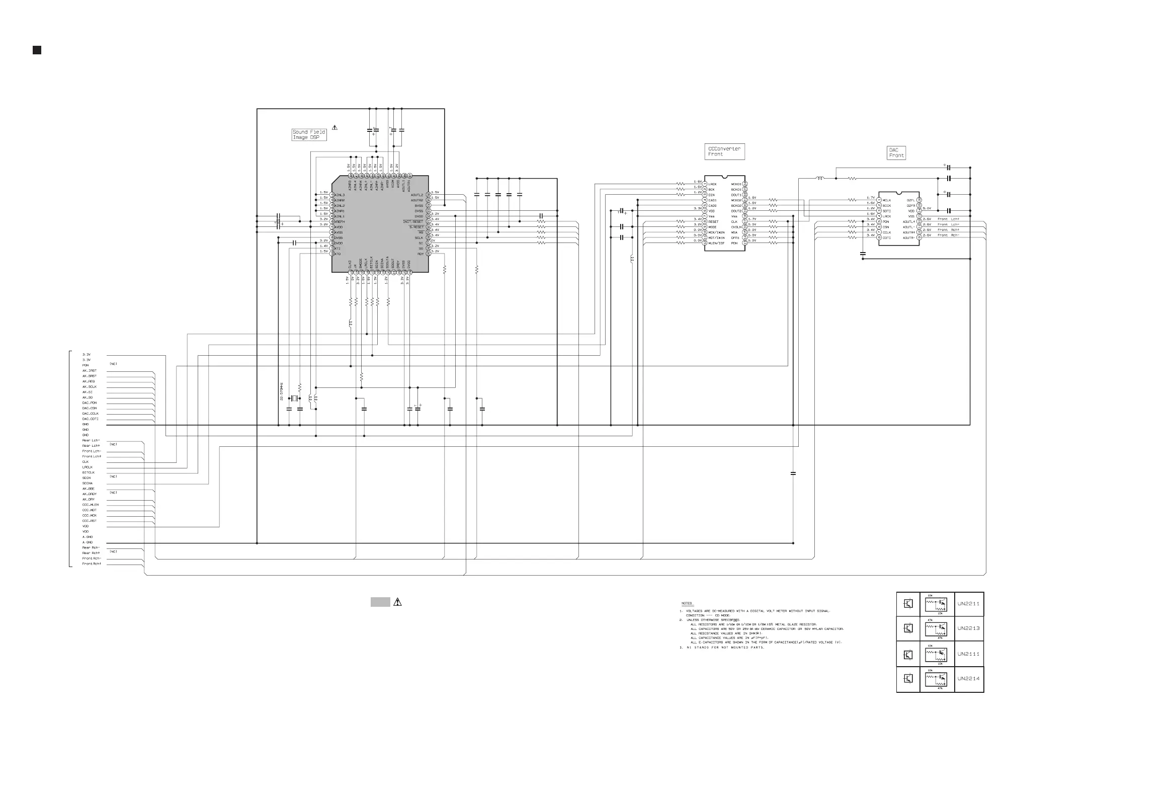
SHEET 3
Sound mix section
(SHEET 2)
Parts are safety assurance parts.
When replacing those parts make
sure to use the specified one.
IC401
C4100
IC411
C4101
IC412
C4131
C4130
C4132
R4130
R4115
R4114
R4100
R4101
R4102
R4104
R4105
R4106
R4107
R4103
R4113
C4102
C4134
L4130
C4035
C4034
C4036
C4012
C4038
R4017
R4016
R4131
R4018
R4014
R4112
R4111
R4015
R4132
R4133
R4134
R4135
R4110
R4109
R4108
C4028
C4025
C4024
L4002
L4003
C4133
R4068
C4050
L4101
C995
R4056
L4001
C4031
C4030
C4011
C4032
C4033
C4027
C4026
R4013
R4011
R4010
C4010
X4001C4001
C4002
R4001
C4045
R4051
R4053
R4054
R4055
C4046
AK7740VT
10/6.3
JCV8009-W
0.1
AK4385VT-X
47/6.3
0.1
100P
0
330
330
1k
1k
1k
1k
1k
1k
1k
1k
330
0.047
100/10
47
10/6.3
0.001
0.001
0.001
0.001
1k
1k
47
1k
1k
47
47k
1k
1k
1k
1k
1k
47k
47k
47k
0.01
NI
NI
47
1.8
470p
1k
0.047
47
0.01
0
47
10/6.3
0.001
10/6.3
10/6.3
0.001
0.01
NI
1k
47k
1k
0.001
NAX0664-001X8P
12P
100
NI
330
1k
330
220
NI
SW5V
AK_IRST
DIRNLRCLK
AK_REQ
AK_SCLK
AK_SRST
AK_SI
DAC_PDN
DIRNSDINA
F-LCH+
DIRNBCK
F-LCH-
F-RCH+
DAC_CDTI
DAC_PDN
F-RCH-
DAC_CSN
DAC_CCLK
DAC_CDTI
BK-LCH
BK-RCH
BK-LCH
F-LCH-
F-LCH+
BK-LCH
F-RCH-
F-RCH+
CCC_MLEN
CCC_MDT
CCC_MCK
CCC_RST
DAC_CSN
DAC_CCLK
DSP3.3V
AK_IRST
DIRNCLK
AK_SRST
AK_REQ
AK_SCLK
DGND
AK_SI
AK_SO
AK_BBE
AK_DRY
CCC_MLEN
AGND
CCC_MDT
CCC_MCK
CCC_RST
AK_BBE
AK_SO
AK_DRY
!

Other manuals for JVC KD-SHX705

Related product manuals