EasyManua.ls Logo

JVC KW-XG705 - External Component Connections; Amplifier and Subwoofer Connections; Connecting Various External Devices; External Component Connection Diagram

JVC KW-XG705
42 pages
To Previous Page IconTo Previous Page
To Previous Page IconTo Previous Page
Loading...
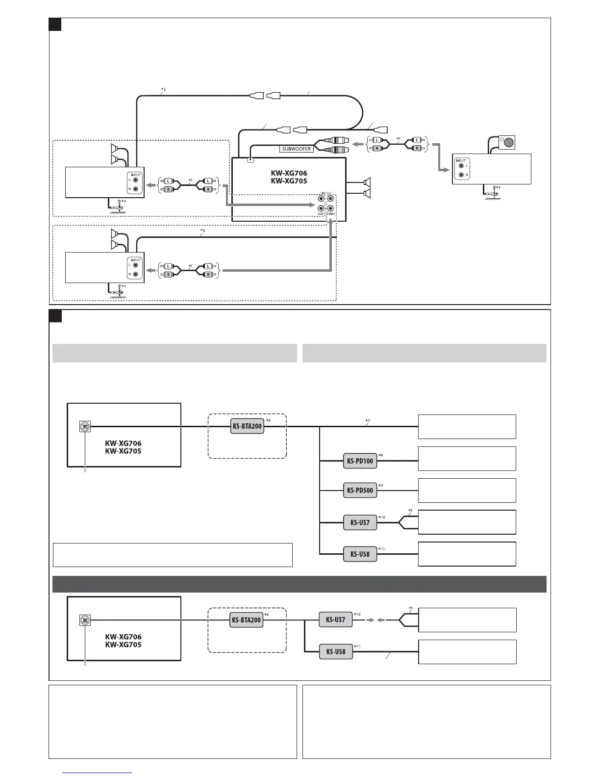
4
Remote lead (blue with white stripe)
Ujung jauh (biru dengan strip putih)
To the remote lead of other equipment or automatic antenna if any
Ke ujung jauh dari peralatan lain atau antena otomatis jika ada
Front speakers
Speaker-speaker depan
JVC Amplifier
Penguat JVC
Rear speakers
Speaker-speaker belakang
Y-connector (not supplied for this unit)
Konektor Y (tidak disediakan untuk unit ini)
Subwoofer
Subwoofer
JVC Amplifier
Penguat JVC
Front speakers
Speaker-speaker depan
JVC Amplifier
Penguat JVC
B
Connecting the external amplifiers and subwoofer / Penyambungan penguat eksternal dan subwoofer
You can connect amplifiers to upgrade your car stereo system.
Connect the remote lead (blue with white stripe) to the remote lead of the other equipment so that it
can be controlled through this unit.
Disconnect the speakers from this unit, connect them to the amplifier. Leave the speaker
leads of this unit unused.
Anda dapat menyambungkan penguat-penguat untuk meningkatkan sistem stereo mobil anda.
Sambungkan ujung jauh (biru dengan strip putih) ke ujung jauh dari peralatan lain sehingga dapat
dikontrol melalui unit ini.
Putuskan sambungan speaker-speaker dari unit ini, sambungkan ini ke penguat. Biarkan
ujung speaker dari unit ini tidak digunakan.
You can connect these components as illustrated below.
All the components, adapters, or signal cords need to be purchased separately.
CAUTION:
Before connecting the external components, make sure that the unit is turned off.
To use JVC CD changer, Apple iPod or JVC D. player, set the external input setting to “CHANGER”
(see page 25 of the INSTRUCTIONS).
To use other external components via KS-U57 or KS-U58, set the external input setting to “EXT IN”
(see page 25 of the INSTRUCTIONS).
Anda bisa menyambungkan komponen-komponen ini seperti yang diilustrasikan di bawah.
Semua komponen, adaptor, atau kabel sinyal harus dibeli secara terpisah.
AWAS:
Sebelum menyambungkan komponen eksternal, pastikan bahwa unit sudah dimatikan.
Untuk menggunakan JVC CD changer, Apple iPod atau JVC D. player, setel pengaturan masukan
eksternal ke “CHANGER” (lihat halaman 25 dari BUKU PETUNJUK).
Untuk menggunakan komponen eksternal via KS-U57 atau KS-U58, setel pengaturan masukan
eksternal ke “EXT IN” (lihat halaman 25 dari BUKU PETUNJUK).
Connecting the external components / Menyambung komponen eksternal
C
Other external component / Komponen eksternal lainnya
3.5 mm stereo mini plug
Steker mini stereo 3.5 mm
iPod is a trademark of Apple Inc., registered in the U.S. and other countries.
iPod adalah merek dagang dari Apple Inc., terdaftar di Amerika Serikat dan di negara-negara lain.
External component
Komponen eksternal
or / atau
JVC CD changer
CD changer JVC
Apple iPod
Apple iPod
JVC D. player
JVC D. player
CD changer jack
Konektor CD changer
or / atau
External component
Komponen eksternal
or / atau
or / atau
or / atau
External component
Komponen eksternal
with or without
dengan atau tanpa
*
3
Remote lead
*
4
Firmly attach the ground wire to the metallic body or to the chassis of the car—to the place uncoated with paint
(if coated with paint, remove the paint before attaching the wire). Failure to do so may cause damage to the
unit.
*
5
Signal cord
*
6
JVC Bluetooth adapter
*
7
Connecting cord supplied for your CD changer
*
8
Interface adapter for iPod
*
9
D. player interface adapter
*
10
Line Input Adapter
*
11
AUX Input Adapter
*
3
Ujung jauh
*
4
Pasangkan dengan kuat kabel tanah ke bodi besi atau ke casis dari mobil—pada tempat yang tidak dilapisi cat
(jika dilapisi cat, hilangkan cat sebelum memasang kabel). Kegagalan melakukan ini mungkin menyebabkan
kerusakan pada unit tersebut.
*
5
Kabel sinyal
*
6
Adaptor JVC Bluetooth
*
7
Penyambung sinyal disediakan untuk CD changer anda
*
8
Adaptor antarmuka untuk iPod
*
9
Adaptor antarmuka D. player
*
10
Line Input Adapter
*
11
AUX Input Adapter
CD changer jack
Konektor CD changer
with or without
dengan atau tanpa
External component
Komponen eksternal
Install2_KW-XG706_009A_f.indd 4 3/29/07 11:59:04 AM

Related product manuals