EasyManua.ls Logo

JVC M-7050 - Page 33

JVC M-7050
34 pages
Print Icon
To Next Page IconTo Next Page
To Next Page IconTo Next Page
To Previous Page IconTo Previous Page
To Previous Page IconTo Previous Page
Loading...
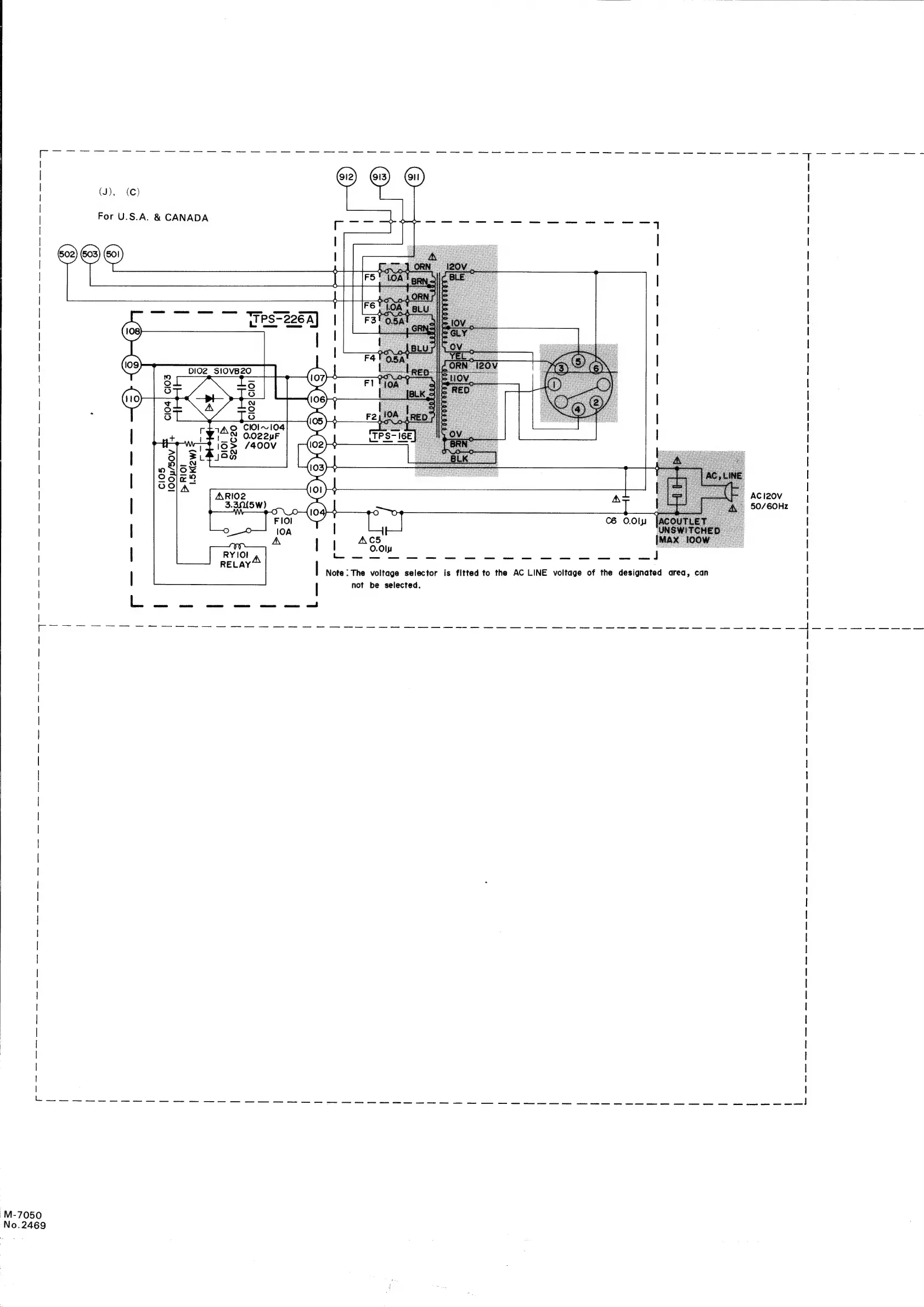
),
(C)
For
U.S.A.
&
CANADA
LPS-226A
DIO2
SIOVB2O0
CIOI~
104
0.022pF
/400V
IAG
!
|
4
(01)
ACI20V
|
(104)
50/60Hz
© O
FIOI
C6
O.Oly
|
1OA
|
A
|
|
AC5
|
0.O0lu
|
|
Note:
The
voltage
selector
is
fitted
to
the
AC
LINE
voltage
of
the
designated
area,
can
|
not
be
selected,
Lei
es
Ne
een
ee
eet
entiation
a
as
eS
ee
ee
a
ee
ee
ye
oy
es
a
et
ey
en
ENE
rho
9
atl
SS
es
ee
I
Yt
Sey
Sets
a
/M-7050
No.2469