EasyManua.ls Logo

JVC MX-G71R - Page 33

JVC MX-G71R
86 pages
Print Icon
To Next Page IconTo Next Page
To Next Page IconTo Next Page
To Previous Page IconTo Previous Page
To Previous Page IconTo Previous Page
Loading...
MX-G71R
1-33
1
2
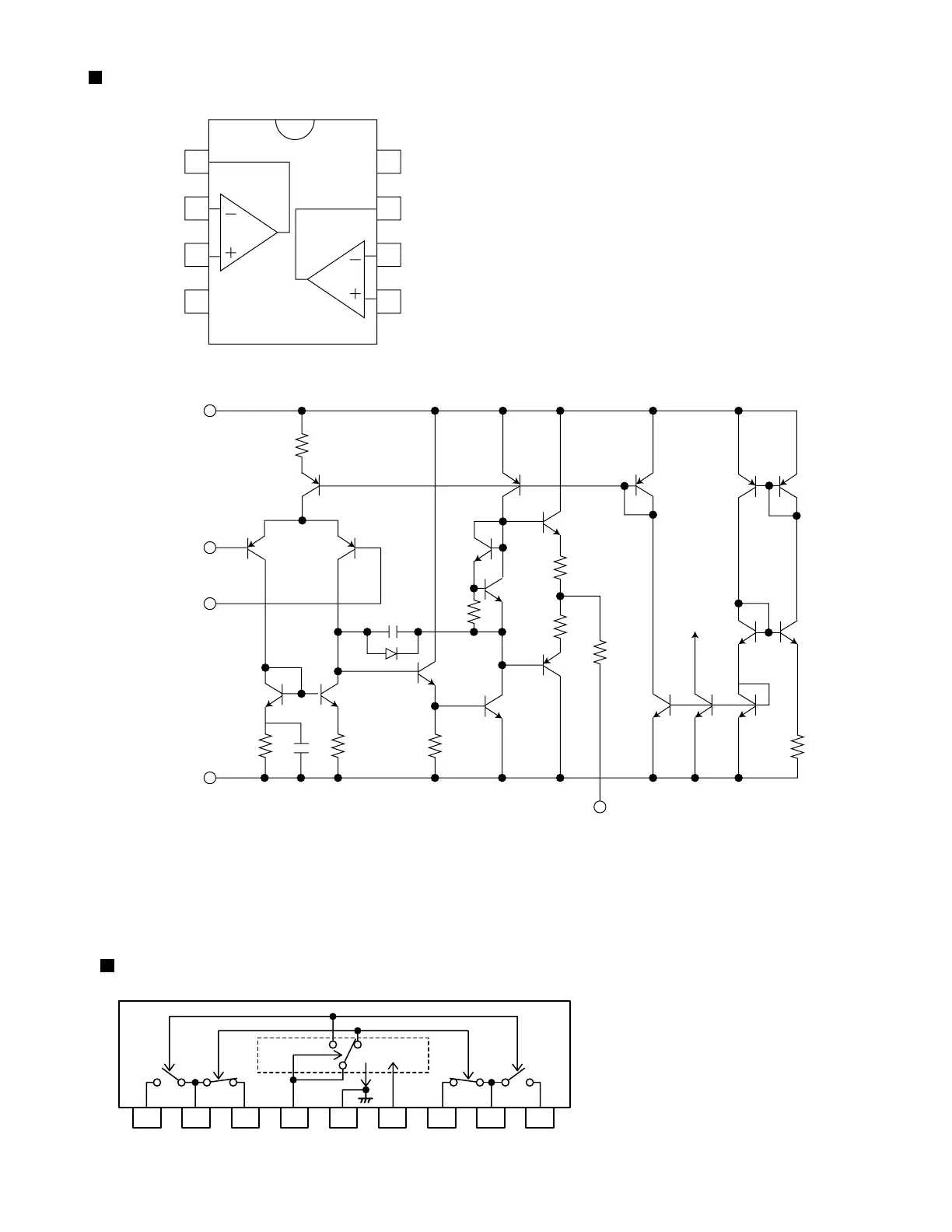
8 Vcc
7 OUT2
6 -IN2
5 +IN2
OUT1 1
-IN1 2
+IN1 3
VEE 4
BA15218F-XE (IC652) / BA15218N (IC481,501,502,526,571) : Dual op. amp.
1. Pin layout
2. Block diagram
Q19
Q17Q16
OTHER
CH
R9
R6
R8
R7
R5
R4
R3R2
R1
D1
C1
Q18Q13
Q11
Q8
Q5
Vcc
VEE
OUTPUT
-IN
+IN
Q1
Q3 Q4
Q2
C2
Q9
Q6
Q7
Q10
Q12
Q14 Q15Q114
BA3126N(IC301) : R/P Switch
R E C
S W
G
123456789
P / B
S W
P / B
S W
G
R E C
S W
C O N T .
G N D
V c c

Related product manuals