EasyManua.ls Logo

JVC MX-G750V - Page 53

JVC MX-G750V
171 pages
Print Icon
To Next Page IconTo Next Page
To Next Page IconTo Next Page
To Previous Page IconTo Previous Page
To Previous Page IconTo Previous Page
Loading...
1-53
MX-G950V/MX-G880V
MX-G850V/MX-G750V
1
4
R1
TR1
TR3
TR2
TR4
TR5
TR6
TR8
R8
C2
TR14 TR15
TR16
R14
R11
R13
R12
R10
R9
TR9
TR10
TR12
TR13
TR11
TR7
C1
D1
R6
R3
R4
R5
R7
13
11
14
15
9
8
12
5
6710
2
R2
SUB
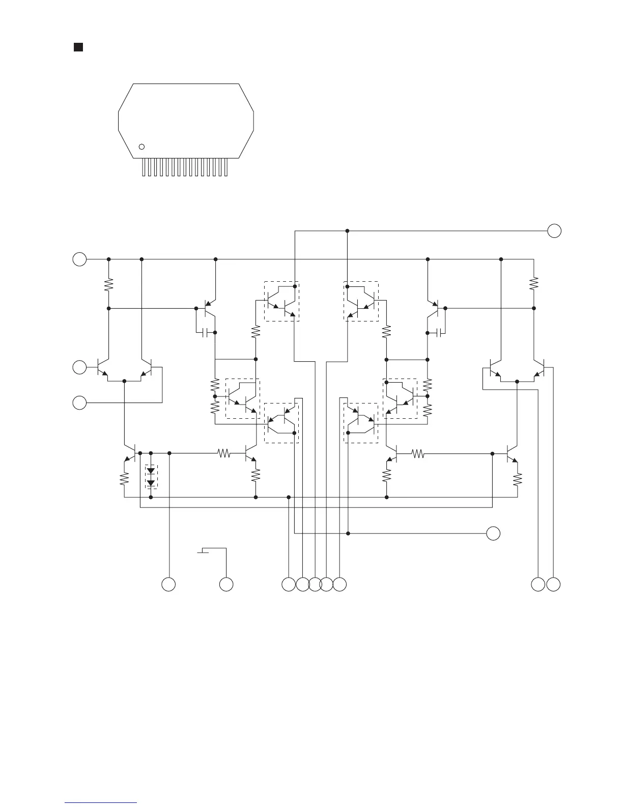
STK402-030 (IC101) : Power amp
1.Pin layout
2.Block diagram
115

Table of Contents

Related product manuals