EasyManua.ls Logo

JVC MX-GB6

JVC MX-GB6
24 pages
To Next Page IconTo Next Page
To Next Page IconTo Next Page
To Previous Page IconTo Previous Page
To Previous Page IconTo Previous Page
Loading...
2-11
Parts are safety assurance
p
When replacing those parts
sure to use the specified on
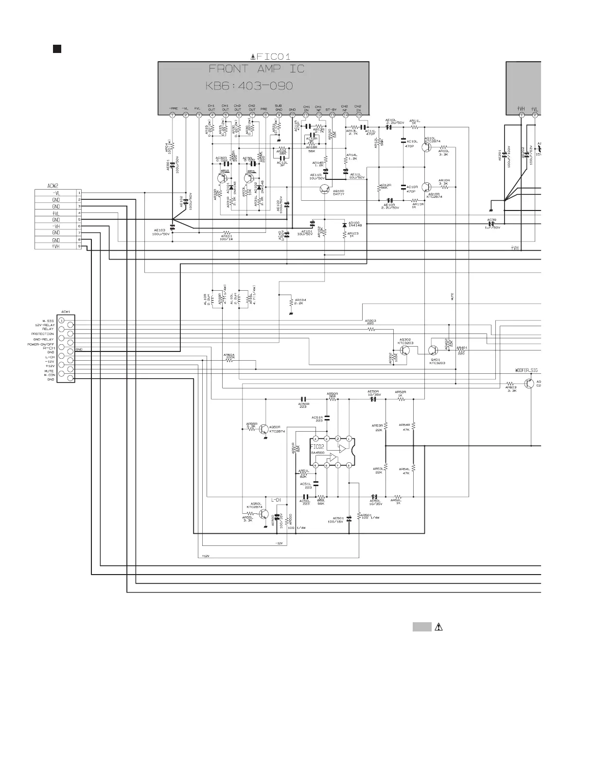
Amp section (MX-GB5)

Other manuals for JVC MX-GB6

Related product manuals