EasyManua.ls Logo

JVC MX-GB6

JVC MX-GB6
24 pages
To Next Page IconTo Next Page
To Next Page IconTo Next Page
To Previous Page IconTo Previous Page
To Previous Page IconTo Previous Page
Loading...
2-5
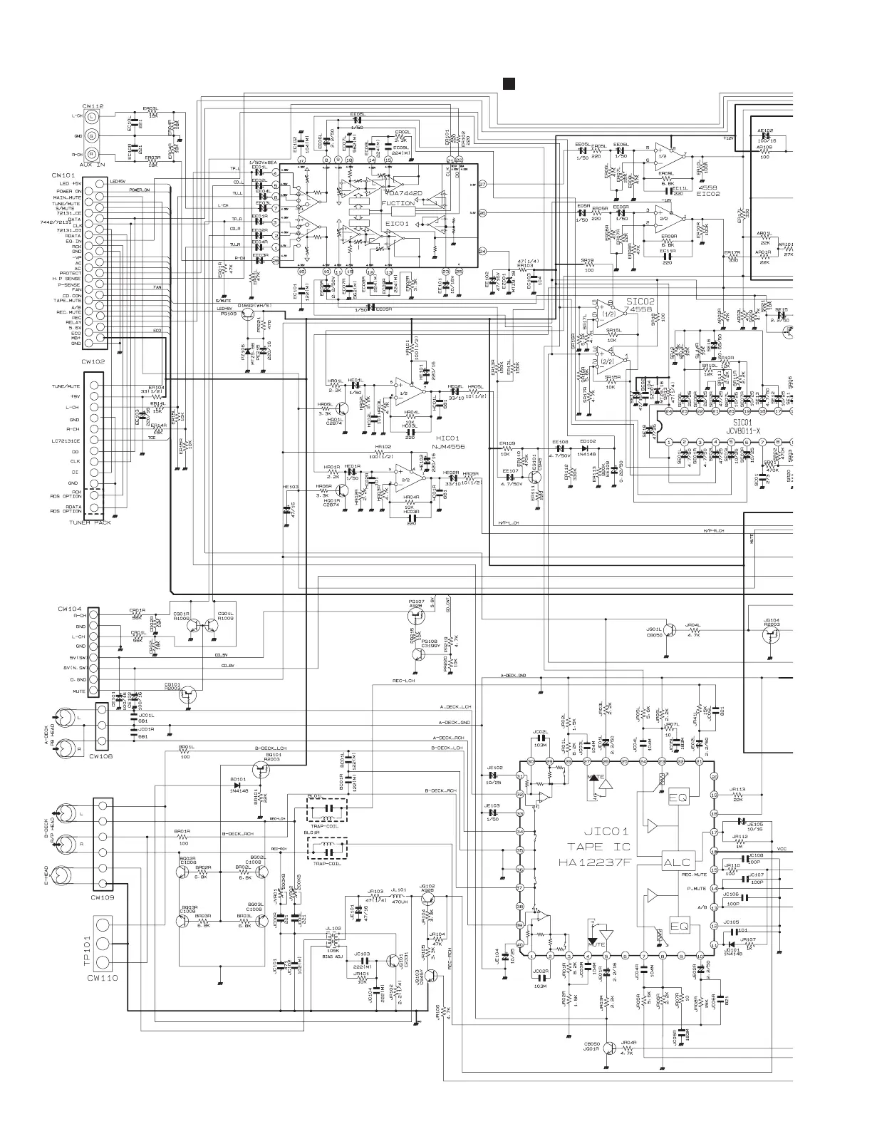
Standard schematic diagrams
Main section (MX-GB6)

Other manuals for JVC MX-GB6

Related product manuals