EasyManua.ls Logo

JVC MX-GB6

JVC MX-GB6
24 pages
To Next Page IconTo Next Page
To Next Page IconTo Next Page
To Previous Page IconTo Previous Page
To Previous Page IconTo Previous Page
Loading...
2-6
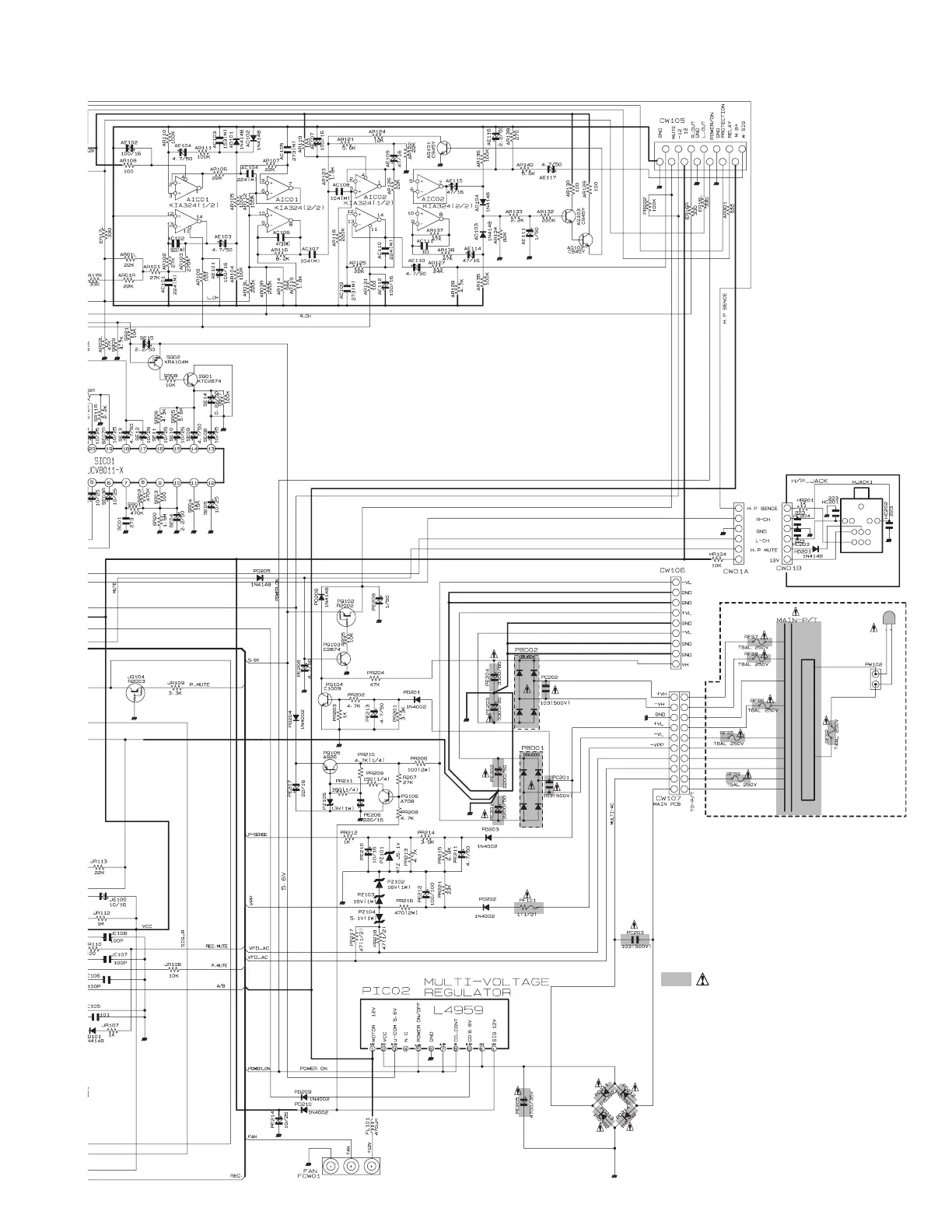
Parts are safety assurance parts.
When replacing those parts make
sure to use the specified one.

Other manuals for JVC MX-GB6

Related product manuals