EasyManua.ls Logo

JVC MX-GB6

JVC MX-GB6
24 pages
To Next Page IconTo Next Page
To Next Page IconTo Next Page
To Previous Page IconTo Previous Page
To Previous Page IconTo Previous Page
Loading...
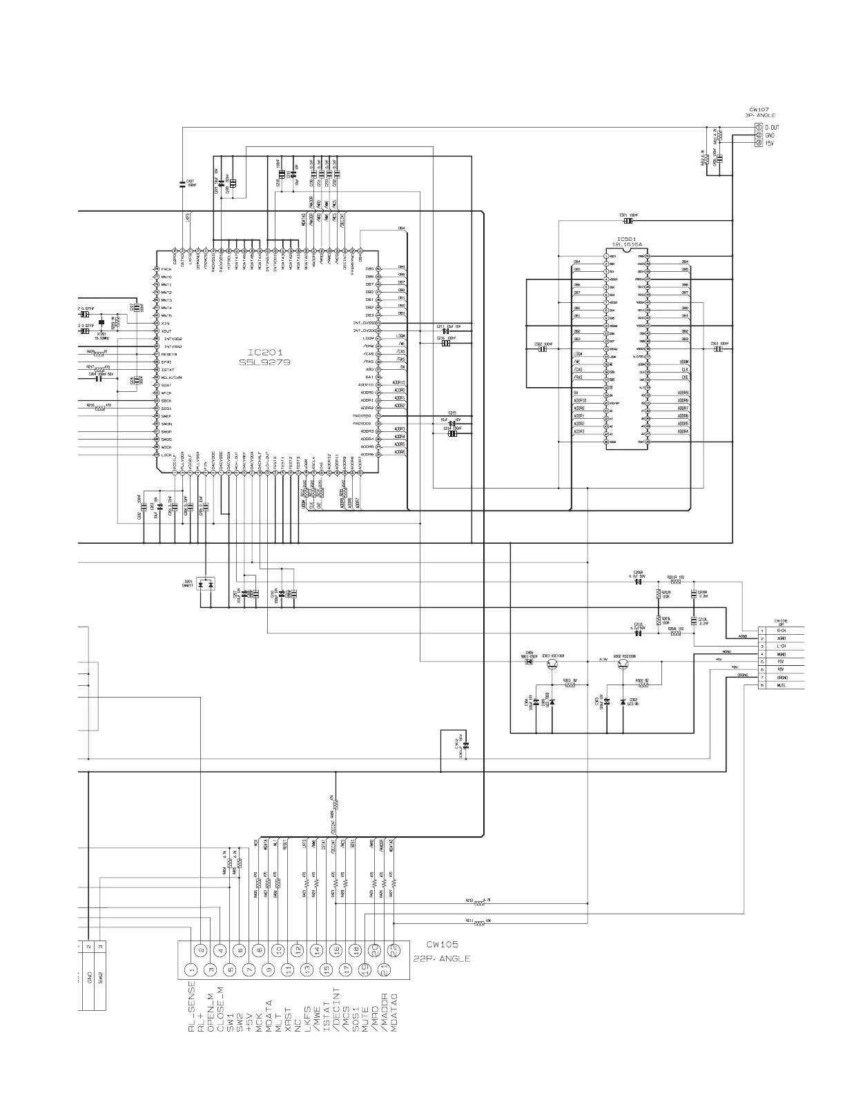
2-16

Other manuals for JVC MX-GB6

Related product manuals