EasyManua.ls Logo

JVC MX-GT91R - Flow of Functional Operation; Operation Sequence Until TOC Read

JVC MX-GT91R
85 pages
Print Icon
To Next Page IconTo Next Page
To Next Page IconTo Next Page
To Previous Page IconTo Previous Page
To Previous Page IconTo Previous Page
Loading...
MX-GT91R
1-30
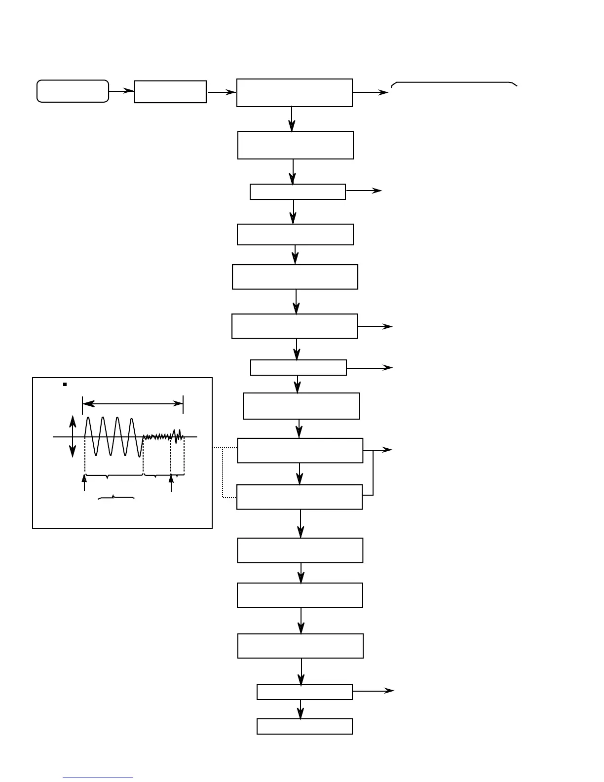
Flow of functional operation until TOC read
Slider turns REST
SW ON.
Automatic tuning
of TE offset
Laser ON
Detection of disc
Automatic measurement of
Focus S-curve amplitude
Automatic tuning of
Focus offset
Disc is rotated
Focus servo ON
(Tracking servo ON)
Automatic tuning of
Tracking error balance
Automatic measurement of
Tracking error amplitude
Automatic tuning of
Focus error balance
Disc to be
braked to stop
Tracking
servo
on states
Tracking
servo
off states
Disc states
to rotate
TOC reading
finishes
Automatic measurement
of TE amplitude and
automatic tuning of
TE balance
500mv/div
2ms/div
Fig.1
Approx.3sec
pin 25 of
IC601(TE)
Approx
1.8V
VREF
Tracking error waveform at TOC reading
Power ON
Play Key
Confirm that the Focus error
S-cuve signal at the pin28 of
IC651 is approx.2Vp-p
Confirm that the signal from
pin24 IC651 is 0V as a
accelerated pulse during
approx.400ms.
Confirm the waveform of
the Tracking error signal.
at the pin 25 of IC601 (R604)
(See fig-1)
Automatic tuning of
Focus error gain
Automatic tuning of
Tracking error gain
TOC reading
Play a disc
Confirm the eys-pattern
at the lead of TP1
Confirm that the voltage at the pin5
of CN801 is "H"\"L"\"H".
Check Point
Check that the voltage at the
pin40 of IC651 is + 5V?

Related product manuals