EasyManua.ls Logo

JVC MX-GT91R - Page 53

JVC MX-GT91R
85 pages
Print Icon
To Next Page IconTo Next Page
To Next Page IconTo Next Page
To Previous Page IconTo Previous Page
To Previous Page IconTo Previous Page
Loading...
HABC DE FG
1
2
3
4
5
2-8
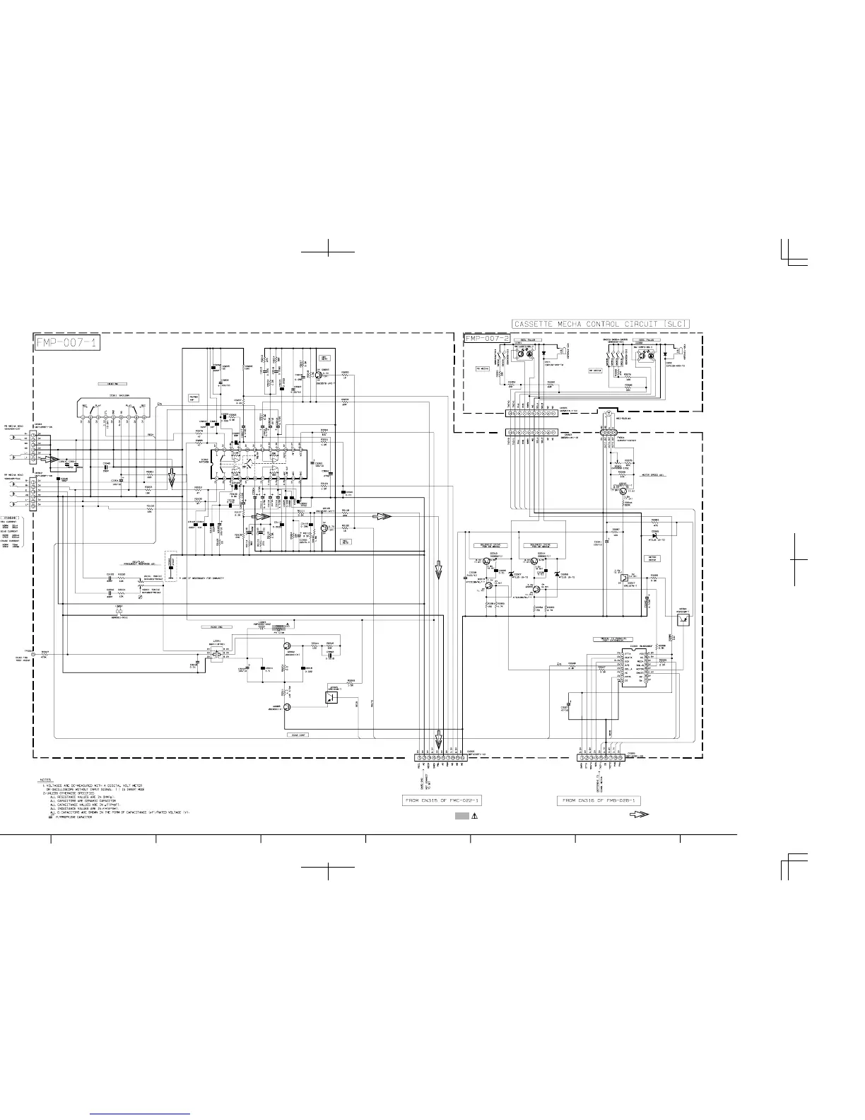
MX-GT91R
TAPE P.B. signal
SHEET 3/8
SHEET 4/8
SHEET 7/8
Head amplifier section
Parts are safety assurance parts.
When replacing those parts make
sure to use the specified one.

Related product manuals