EasyManua.ls Logo

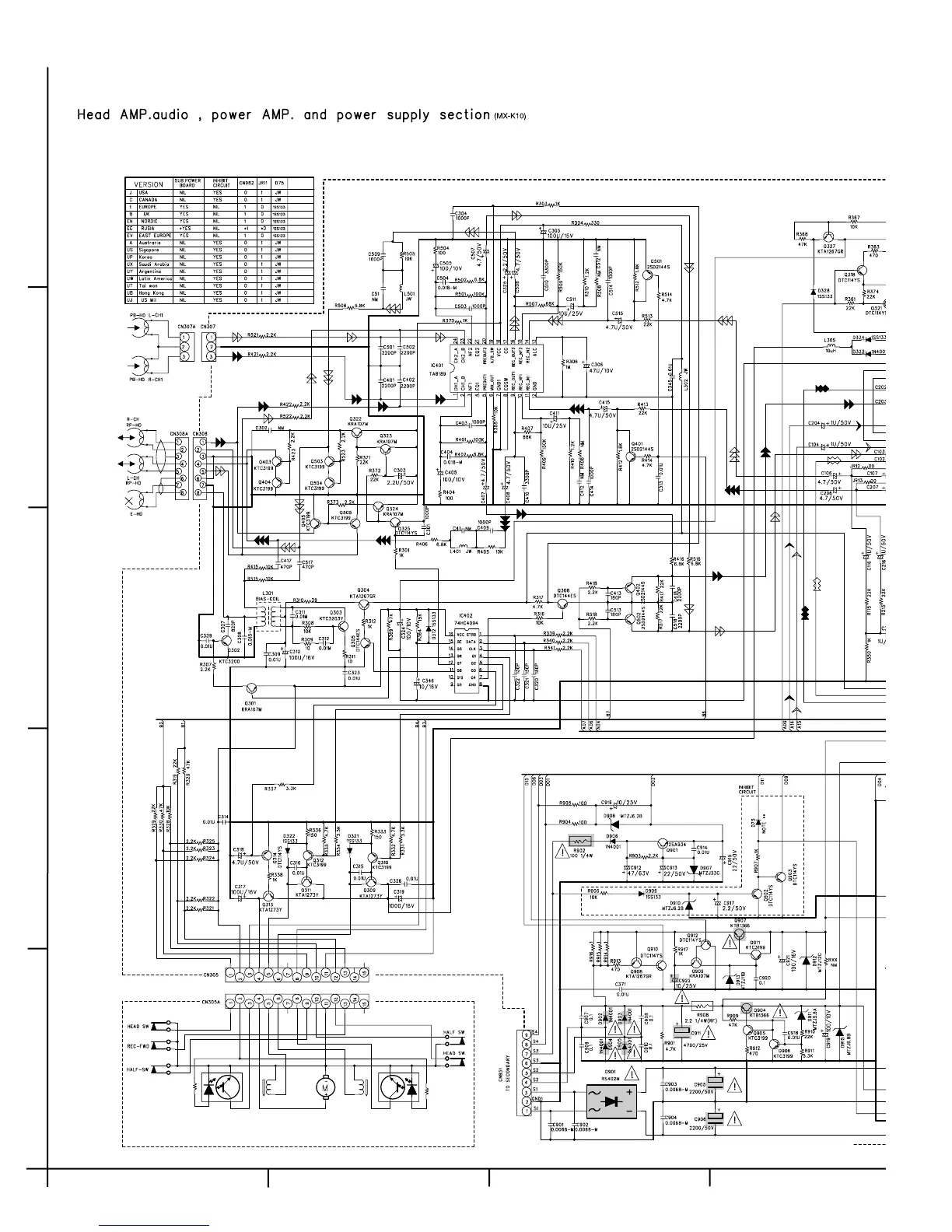
JVC MX-K10 - Standard Schematic Diagrams

JVC MX-K10
108 pages
Print Icon
To Next Page IconTo Next Page
To Next Page IconTo Next Page
To Previous Page IconTo Previous Page
To Previous Page IconTo Previous Page
Loading...
MX-K30/MX-K10
1-4
ABCD
1
2
3
4
5
6
5
4
3
2
7
Standard schematic diagrams

Related product manuals