EasyManua.ls Logo

JVC MX-K10 - Page 37

JVC MX-K10
108 pages
Print Icon
To Next Page IconTo Next Page
To Next Page IconTo Next Page
To Previous Page IconTo Previous Page
To Previous Page IconTo Previous Page
Loading...
MX-K30/MX-K10
1-6
ABCD
1
2
3
4
5
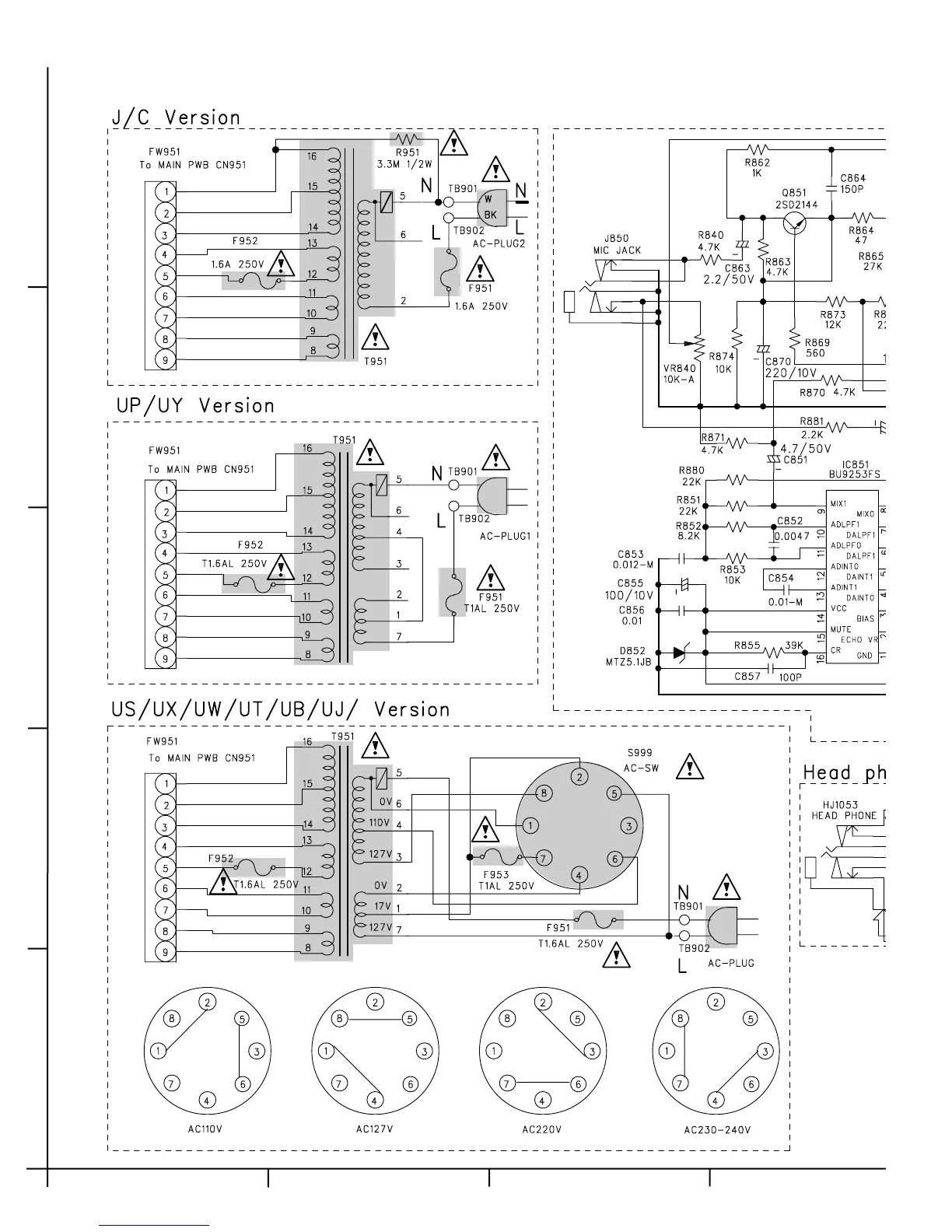
Power transformer section (MX-K10)

Related product manuals