EasyManua.ls Logo

JVC MX-K10 - Page 45

JVC MX-K10
108 pages
Print Icon
To Next Page IconTo Next Page
To Next Page IconTo Next Page
To Previous Page IconTo Previous Page
To Previous Page IconTo Previous Page
Loading...
MX-K30/MX-K10
1-14
ABCD
1
2
3
4
5
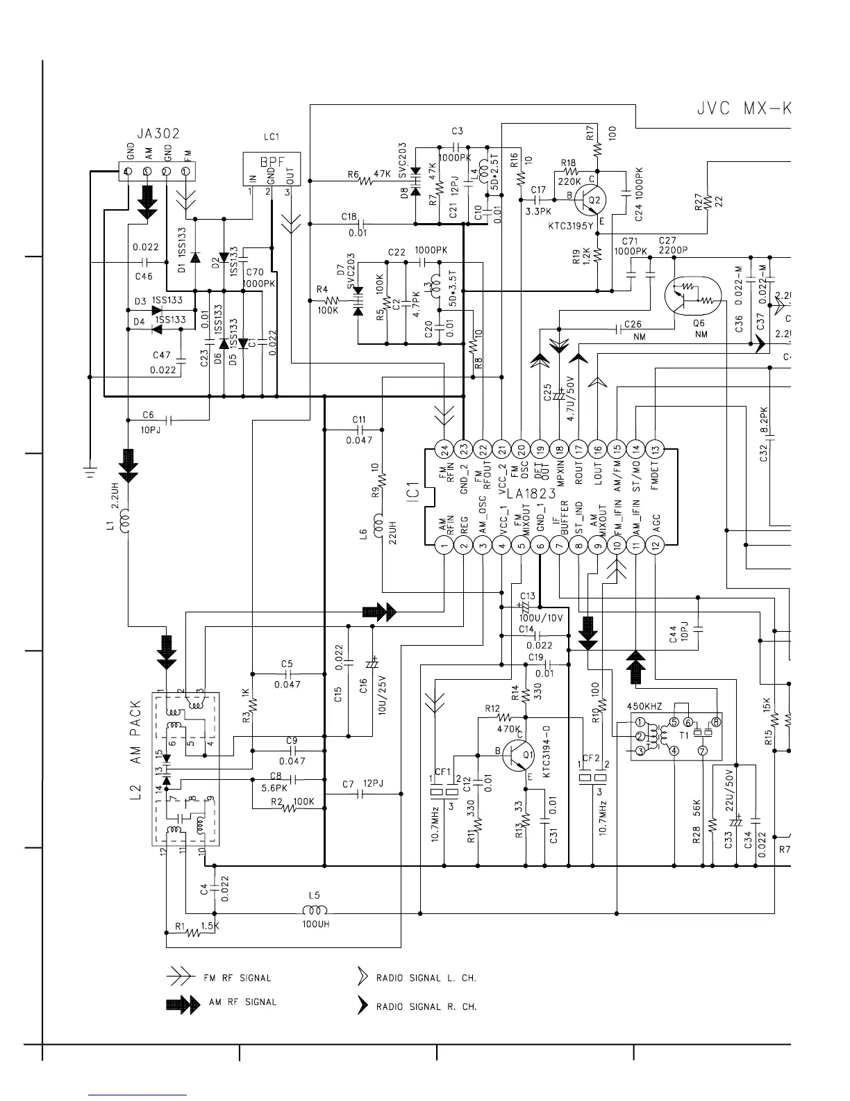
Tuner section (MX-K10 and MX-K30)

Related product manuals