EasyManua.ls Logo

JVC NX-MD1R - Page 48

JVC NX-MD1R
69 pages
To Next Page IconTo Next Page
To Next Page IconTo Next Page
To Previous Page IconTo Previous Page
To Previous Page IconTo Previous Page
Loading...
NX-MD1R/NX-MD1
1-48
PWM
GENERATOR
MONITOR
CONTROL
CPU I/F
AUTO
SEQUENCER
A/D
CONVERTER
ANALOG MUX
SPINDLE
SERVO
ADIP DECODER
COMP
EFM / ACIRC
ENCODER / DECODER
PLL
PCO
FILI
FILO
CLTV
59
60
61
62
EFM
RFI
ASYI
BIAS
100
57
54
56
ASYO
ADFG
53
78
FGIN
SPFD
SPRD
F0CNT
95
94
93
79
APC
FE
TE
SE
PEAK
BOTM
ABCD
AUX1
DCHG
VC
ADIO
ADRT
ADRB
DTRF
CKRF
XLRF
77
66
75
74
63
64
65
67
76
68
69
71
72
82
81
80
CLOCK
GENERATOR
each block
each block each block
16 17 18 29
27 28
90 52
OSCI
OSCO
XTSL
FS256
LRCK
XBCK
FS4
MDDT1
SHOCK RESISTANT
MEMORY CONTROLLER
ATRAC/ATRAC3
ENCODER/DECODER
DIGITAL
AUDIO
I/F
SAMPLING
RATE
CONVERTER
SUBCODE
PROCESSOR
4
4
4
12
2
46
44
47
43
XRAS
XCAS
XWE
XOE
A00~A11
D0~D3
14
15
XINT
TX
26
25
24
23
22
21
DADT
ADDT
XBCKI
LRCKI
DATA I
DIN~DIN1
DOUT
12
11
DQSY
SQSY
84
88
89
86
85
92
91
83
LDDR
FFDR
FRDR
TFDR
TRDR
SFDR
SRDR
APCREF
10 7
5689 1234 13
SERVO
DSP
MNT0
MNT1
MNT2
MNT3
RECP
XRST
XLAT
SWDT
SCLK
SRDT
SENS
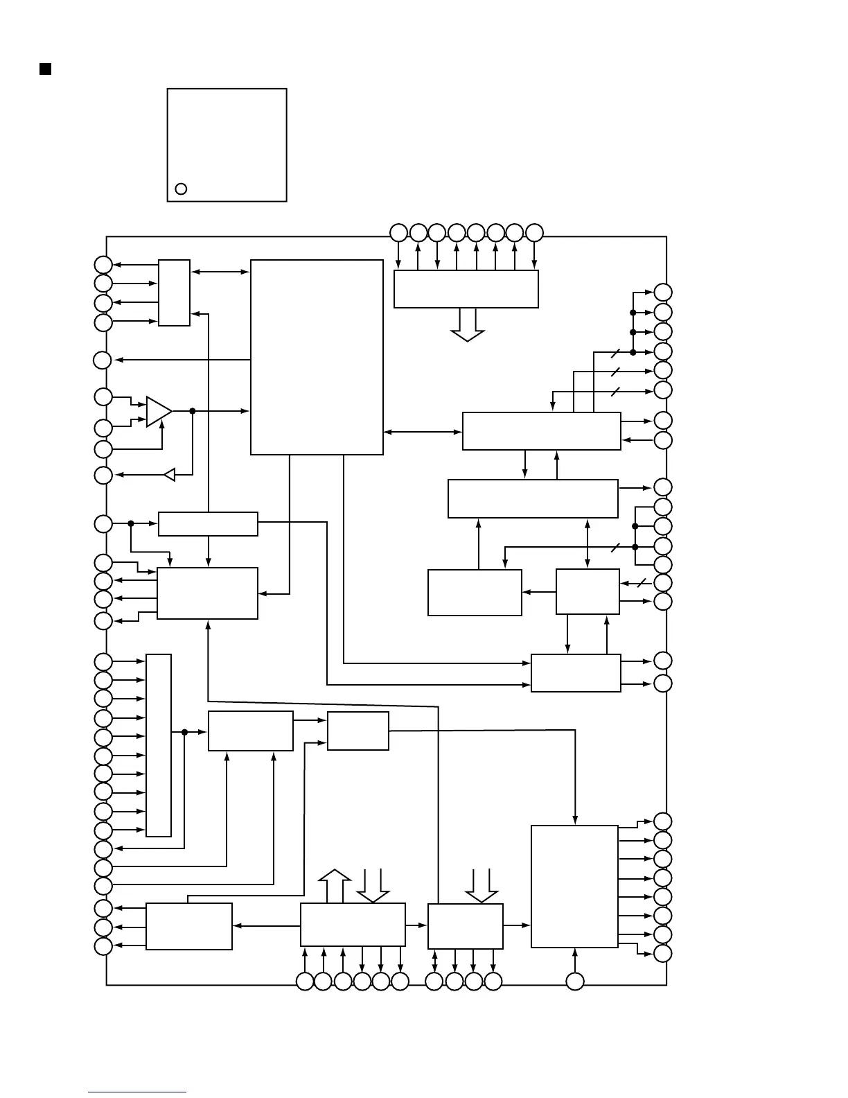
CXD2662R (IC350) : DSP
1.Terminal layout
2.Block diagram
1 ~ 25
75 ~ 51
50
26
76
100
~~

Related product manuals