EasyManua.ls Logo

JVC NX-MD1R

JVC NX-MD1R
69 pages
To Next Page IconTo Next Page
To Next Page IconTo Next Page
To Previous Page IconTo Previous Page
To Previous Page IconTo Previous Page
Loading...
NX-MD1R/NX-MD1
1-58
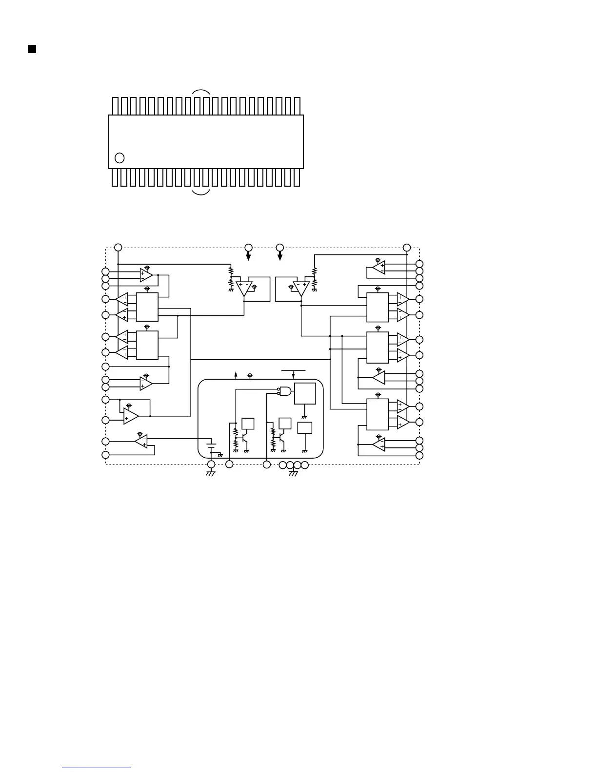
M63008FP (IC410) : 5ch Actuator driver
1.Terminal layout
2.Block diagram
REG+
REGB
IN1+
VBS1
Vm1
IN1-
OUT1
VM1-
VM1+
VM2+
VM2-
OUT2
IN2-
IN2+
MUTE1
MUTE2
SS,GND
VREF
VREFO
GND
CH3IN
OUT3
IN3-
VBS2
Vm2
IN3+
N.C
VM3-
VM3+
VM4+
VM4-
VM5+
VM5-
OUT5
IN5-
IN5+
IN4+
IN4-
OUT4
GND
1
2
20
21
16
15
13
14
12
8
9
7
6
5
3
4
39
38
40
37
41
42
34
35
31
30
23
24
22
29
28
26
25
27
19 17
18
10 11
32
33
IN1+
IN1-
OUT1
VM1(+)
VM1(-)
VM2(+)
VM2(-)
OUT2
IN2-I
IN2+
VREFO
VREF
REGB
REG+
VREF
E2
CH2
X5
CH1
X5
E1
VREG
VBS1
VBS1
VBS1
VBS2
VBS1
VBS1
VBS2
1.25V
CH3
X8
CH4
X8
CH5
X8
E3
E4
E5
VBS2
VBS2
VBS2
VBS2
Vm1
Vm2
R
R
R
R
Vrefm1
Vrefm2
BIAS
HI :Sleep
SLEEP
TSD
Low,Open
MUTE ON
1~4
CH
5CH
VBS1
Vm1
VBS1
VBS2
Vm2
IN3-
IN3+
OUT3
CH3 IN
VM3(+)
VM3(-)
VM4(+)
VM4(-)
IN4-
IN4+
OUT4
VM5(+)
vm5(-)
IN5-
IN5+
OUT5
VREFO
SS,GND
MUTE1 MUTE2
GND (4PIN)

Related product manuals