EasyManua.ls Logo

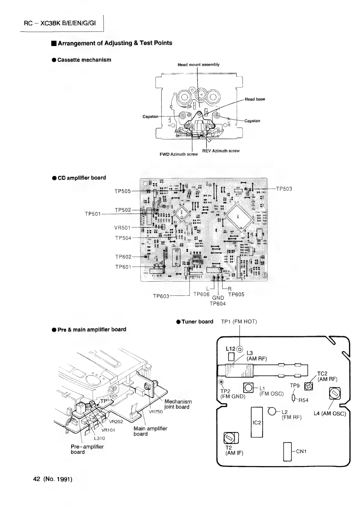
JVC RC-XC3BK - Arrangement of Adjusting & Test Points; Cassette mechanism; CD amplifier board; Pre & main amplifier board

JVC RC-XC3BK
90 pages
Print Icon
To Next Page IconTo Next Page
To Next Page IconTo Next Page
To Previous Page IconTo Previous Page
To Previous Page IconTo Previous Page
Loading...
RC
XC3BK
B/E/EN/G/GI
i
Arrangement
of
Adjusting
&
Test
Points
@
Cassette
mechanism
Head
mount
assembly
Head
base
REV
Azimuth
screw
FWD
Azimuth
screw
@
CD
amplifier
board
TP501—
TP504
TP601
@
Pre
&
main
amplifier
board
TC2
@
(AM
RF)
TP9
es
L1
So,
7
TP2
\y
FM
OSC)
6
‘S)
FM
GND
(
Mechanism
~RS4
an
joint
board
L2
ene)
4
(AM
OSC)
board
SI
24)
T2
(AM
IF)
|
fom
Pre-
amplifier
board
42
(No.
1991)

Related product manuals