EasyManua.ls Logo

JVC RC-XC3BK - 8. Outline of Main IC

JVC RC-XC3BK
90 pages
Print Icon
To Next Page IconTo Next Page
To Next Page IconTo Next Page
To Previous Page IconTo Previous Page
To Previous Page IconTo Previous Page
Loading...
RC
XC3BK
B/E/EN/G/GI
8.
Outline
of
Main
IC
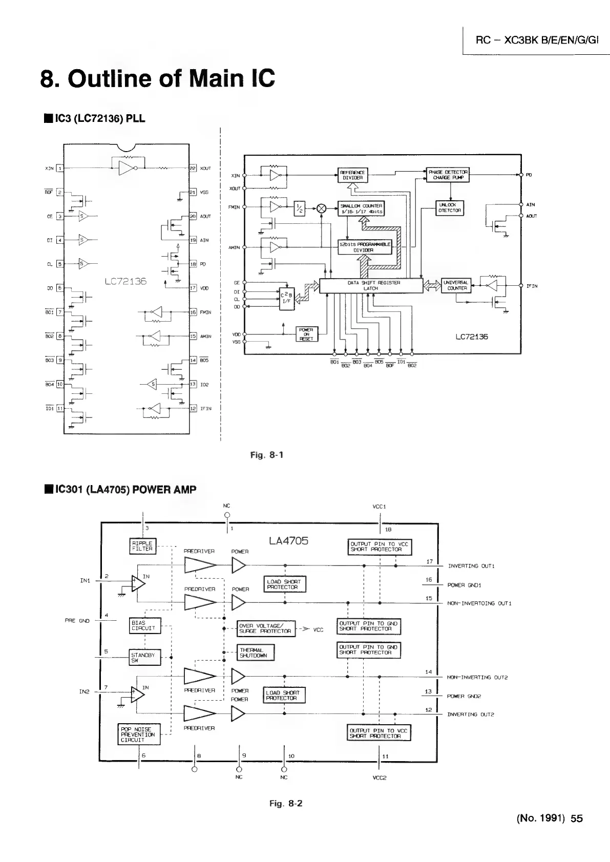
MIC3
(LC72136)
PLL
XIN
XOUT
1
PHASE
DETECTOR
CHARGE
PUMP
vss
4
UNLOCK
DTETCTOA
cE
AQUT
AIN
cl
FMIN
1
AMIN
1
102
IFIN
Fig.
8-1
NC
vcC
4
;
:
3
18
AIPPLE
LA4705
OUTPUT
PIN
TO
VCC
FILTER
SHORT
PROTECTOR
2
17
f
+
INVERTING
OUTt
i
+
4
t
1
avi
2
IN
Liadeds
a
i
:
' 1
POWER
GND1
POWER
\
'
\
!
15
ao
?
;
*
NON~INVERTOING
OUT
4
H '
4
1
'
PRE
GND
.
OVER
VOLTAGE
QUTPUT
PIN
TO
GNO
:
~~
]SURGE
PROTECTOR
[~>
VCC
SON:
EROTECTOR
:
OUTPUT
PIN
TO
GND
5
'
SHORT
PROTECTOR
SS
°
1
1 1
1 1
' ' '
i4
'
o—_1_¢
NON-INVERTING
OUT2
'
: 1
7
N
;
IN2
!
( ,
43
|
i
;
;
POWER
GNO2
1
:
'
'
'
xe
12
|
*
o—__1__¢
INVERTING
OUT2
'
;
:
1
PoP
NOISE
QUTPUT
PIN
TO
VCC
PREVENTION
SHORT
T!
CIBCUrT
PROTECTOR
NC
NC
vcce
(No.
1991)
55

Related product manuals