EasyManua.ls Logo

JVC TH-A55

JVC TH-A55
73 pages
To Next Page IconTo Next Page
To Next Page IconTo Next Page
To Previous Page IconTo Previous Page
To Previous Page IconTo Previous Page
Loading...
2-4
Parts are safety assurance parts.
When replacing those parts make
sure to use the specified one.
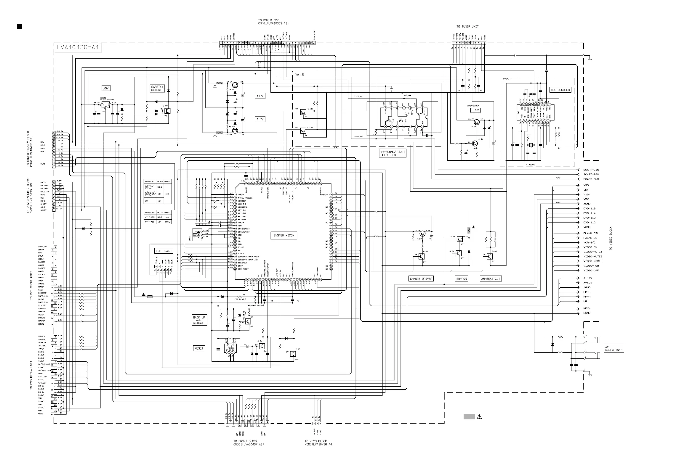
System control section
(SHEET 3)
(SHEET 9)
(SHEET 9)
(SHEET 1)
(SHEET 1)
(SHEET 4)
(SHEET 4)
(SHEET 5)
IC471
Q4811
R4866
R4865
CN405
CN410
EP401
R4864
R4863
R4862
Q4812
R4861
R4811
CN414
R4758
CN411
Q4921
R4922
R4760
R4761
R4762
D4921
C4922
Q4931
C4002
C4001
IC491
C4707
C4708
D4702
D4701
Q4701
R4704
IC472
R4705
C4703
Q4702
R4706
D4931
R4932
CN406
B4016
C4932
R4921
R4931
R4773
CN407
B4019
R4764
R4765
R4759
J4891
R4891
R4892
D4833
R4835 D4834
X4071
R4707
D4705
R4708
Q4703
Q4952
Q4951
R4951
Q4801
R4801
R4802
Q4802
C4801
R4952
CP471
Q4091
Q4092
C4091R4092
R4091
R4093
C4711
C4709 C4710
R4881
R4882
R4883
R4884
R4885
R4867
C4972
C4971
R4868
CN408
R4771
Q4821
R4841
R4842
D4841
R4832
R4831
D4831
R4834
R4833
C4706
D4811
D4922D4932
C4773
C4772
C4771
C4921
R4702
C4901
C4903
C4904
C4902
X4701
R4751
R4752
R4753
R4701
C4701
C4702
D4703
R4703
D4704
C4704
C4705
C4931
R4772
W402 W401
R4774
IC481
B4020
C4011
C4012
C4774
R4821
C4892
C4891
D4891
D4832
D4835
IC492
C4073
R4071
R4072
C4078
C4077
C4072
C4074
C4076
C4075
R4073
R4074
D4091
D4092
C4092
C4071
C4079
R4755
R4754
R4823
R4822
Q4831
R4011
R4012
R4013
R4014
R4757
R4756
R4871
R4872
R4873
R4874
MN101C49GKS
KRA102S-X
220
220
QGB2027M9-26
QGF1205C1-11
QNZ0136-001Z
220
220
220
KRC102S-X
220
4.7
10K
QGF1016C1-31
KTC3203/OY/-T
2.2K
10K
10K
10K
MTZJ8.2C-T2
100/10
KTA1271/OY/-T
1.5
1.5
KIA7805API
100/10
0.01
1SS133-T2
1SS133-T2
KRC111S-X
10K
BD4740G-W
4.7K
2.2/50
KRC107S-X
22K
MTZJ8.2C-T2
2.2K
QGB2027M9-26
100/10
10
10
QGB1216J1-14S
10K
10K
NI
QNS0089-001
220
220
1SS133-T2
4.7K 1SS133-T2
QAX0263-001Z
10K
1SS355-X
220
KRC102S-X
KRA104S-X
KRA104S-X
22K
2SB709A/QR/-X
22K
22K
KRC102S-X
0.22/50
22K
ICP-N5-T
KTA1271/OY/-T
2SD601A/QR/-X
10/1610K
4.7K
820
0.01
0
0
0
0
0
220
0.01
0.01
220
QGA2001C1-03
KRC102S-X
12K
39K
1SS133-T2
22K
15K
1SS133-T2
39K
12K
0.01
1SS133-T2
1SS133-T21SS133-T2
47/25
680
100/16
100/16
0.01/16
0.01/16
QAX0246-001Z
10K
10K
680
47000/5.5
220/6.3
1K
1SS355-X
0.022
0.001
47/25
10K
QJK026-101101 QJK035-121101
SAA6588T/V2-X
0.0082
0.0082
200
220P
220P
MTZJ6.8A-T2
1SS133-T2
MTZJ6.8A-T2
BU4066BCF-X
0.1/16
470K
1K
47P
82P
0.047/16
560P
330P
2.2/50
10K
10K
1SS133-T2
MTZJ6.8A-T2
100/16
10/16
0.01
10K
10K
200
200
KRC102S-X
1K
1K
6.8K
6.8K
10K
10K
1K
1K
1K
1K
SCART-LIN
SCART-RIN
DVD-118
DVD-114
DVD-112
DVD-110
KEY1
KEY2
KEY3
KEY4
DI-CK
DI-DT
BLANK-CTL
VIDEO-SW
NTSEL
VCR-S/C
VIDEO-SW
VIDEO-MUTE1
VIDEO-MUTE2
VIDEO-YCMIX
VIDEO-RGB
VIDEO-LPF
DSTOP
NTSEL
VS1
VS3
VCR-S/C
VIDEO-RGB
VIDEO-YCMIX
VIDEO-MUTE2
VIDEO-MUTE1
VIDEO-LPF
AGND
DVD-114
DVD-118
DVD-112
DVD-110
SWUPDN
S2UDT
U2SDT
SCLK
INTP
CS
CPURST
S2UDT
U2SDT
SCLK
INTP
CPURST
AVVLR
RDS-ST
SWOPEN
RDS-DATA
RDS-DATA
RDS-CLK
TU-DI
TU-DO
TU-CK
TU-CE
RDS-CLK
FANCTRL
F+
F-
-VDISP
DVDPON
SYSPON
DVDPON
SYSPON
SMUTE
SWPON
S-MUTE
SW-PON
AM-BEAT
A+12V
TU-PON
DSET
KEY4
LMMUTE
TCLOSE
A+12V
A-12V
BGND
AGND
TOPEN
HP
HP-L
HP-R
STANDBY
A5V
HP
DI-RST
TOPEN
TCLOSE
SWUPDN
SWOPEN
DI-CK
DI-DT
DI-CS
REMOCON
KEY2
KEY4
DI-CS
DI-RST
DSTOP
DSET
LMMUTE
REMOCON
DSP-RST
DSP-RDY
DSP-COM
SAFETY
BLANK-CTL
KEY3
DSP-STAT
DSP-CLK
VOL-STB
VOL-DATA
VOL-CLK
DSP-RST
DSP-RDY
DSP-COM
DSP-STAT
DSP-CLK
VOL-DATA
VOL-STB
VOL-CLK
VS3
VS1
CS
AUX
TV/TU
TU-PON
TV/TU
AUX
SMUTE
RDS-ST
TU-CE
TU-DO
TU-CK
TU-DI
F-
F+
-VDISP
SWPON
S-MUTE
SW-PON
AM-BEAT
SAFETY
HP-L
STANDBY
FANCTRL
HP-R
AGND
A-12V
AVVLR
!
!
!
!
SHEET 2

Other manuals for JVC TH-A55

Related product manuals